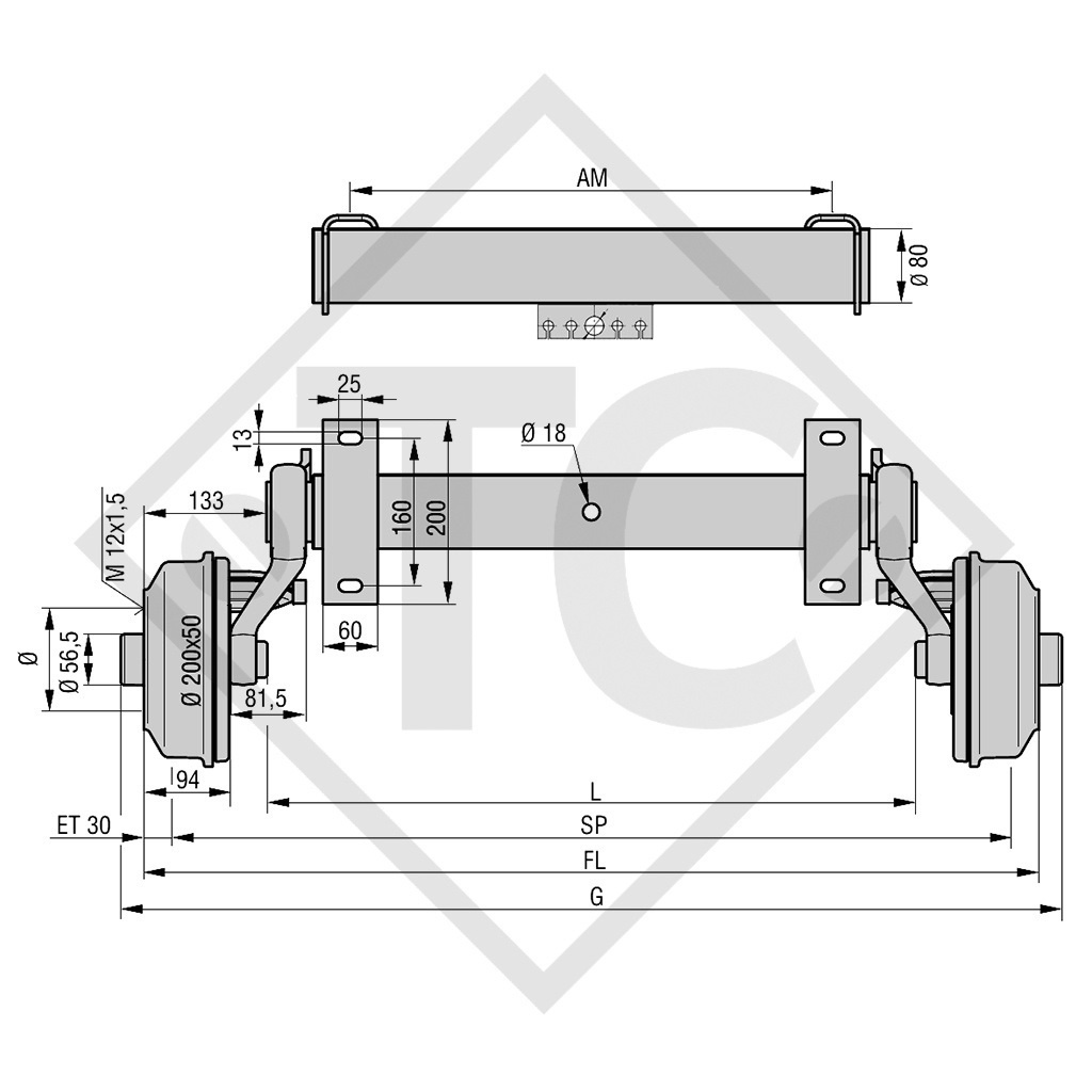
EAB : cote AM 1300mm, VOIE : cote FL 1750mm, perçage 112x5, type de frein de roue S 2005-7 RASK, déport (ET) 30mm, position du bras de suspension 20°, corps d'essieu 80mm, vis de roue sphériques M12x1.5. Lire plus...

Liste de souhaits: Ajouter pour comparer:

Code article 46.21.379.173 (46.21.379.183)

Cote FL
1750mm
Cote SP
1690mm
Cote AM
1300mm
Cote L
1482mm
Cote G 1800mm
Modèle SWING
Type d'essieu CB1055
Charge à l'essieu SOLO 1050kg
Charge à l'essieu TANDEM 2100kg
Frein de roue S 2005-7 RASK
Suspension Suspension carrée caoutchouc
Longueur du tourillon 160mm
Perçage 112x5
Roulement Roulement compact
Trou central jante mind. 56.5mm

 

Mode d'emploi original
Numéro d'identification des pièces détachées (ETI) ANCIEN XX.XX.379.XXX
Numéro d'identification des pièces détachées (ETI) NOUVEAU 827030

CONTENU DE LA LIVRAISON
Essieu, y compris câbles de frein
Avec support d'amortisseur
Vis de roue sphériques M12x1.5 en vrac

DÉTAILS

  • Vitesse maxi. 140 km/h
  • Attache de timon : coquilles de serrage, voir accessoires
  • Amortisseurs, voir accessoires
  • Attaches de roue : 98x4, 130x4, 120x5, 140x5 sur demande
  • Attaches de timon et supports d'essieu spéciaux sur demande
  • Egalement disponibles avec paliers étanches
  • Corps d’essieu entièrement galvanisé à chaud : protection de surface permanente
  • Suspension indépendante des roues : compensation optimale des irrégularités de la chaussée
  • Suspension exempte d’entretien : frais de maintenance réduits
  • Structure d’essieu robuste : résistance à des sollicitations extrêmes comme en circulation off-road ou sur des chantiers
  • Freins à levier d’expansion robustes, faciles d’entretien, avec système de recul automatique : rattrapage aisé de l’usure depuis l’extérieur directement au niveau du frein, installation des câbles de frein gainés possible à posteriori sans démontage du tambour de frein
  • Paliers compacts (standard dans l’industrie automobile) : sans entretien, durée de vie élevée, protection contre les salissures et l’eau, lubrification à vie avec de la graisse spéciale
  • Support d’amortisseur de roue compris