Accueil / Mots-clés / alko assale b 850-10 / Essieu PLUS droit non freiné 1500kg type d'essieu LS 1500 version étanche
EAB : cote A 1450mm, VOIE : cote C 1900mm, perçage 112x5, déport (ET) 27-33mm, corps d'essieu 60x5mm, vis de roue sphériques M12x1.5. Lire plus...
Code article 20057916
| EAB : cote A | 1450mm |
| VOIE : cote C | 1900mm |
| Perçage | 112x5 |
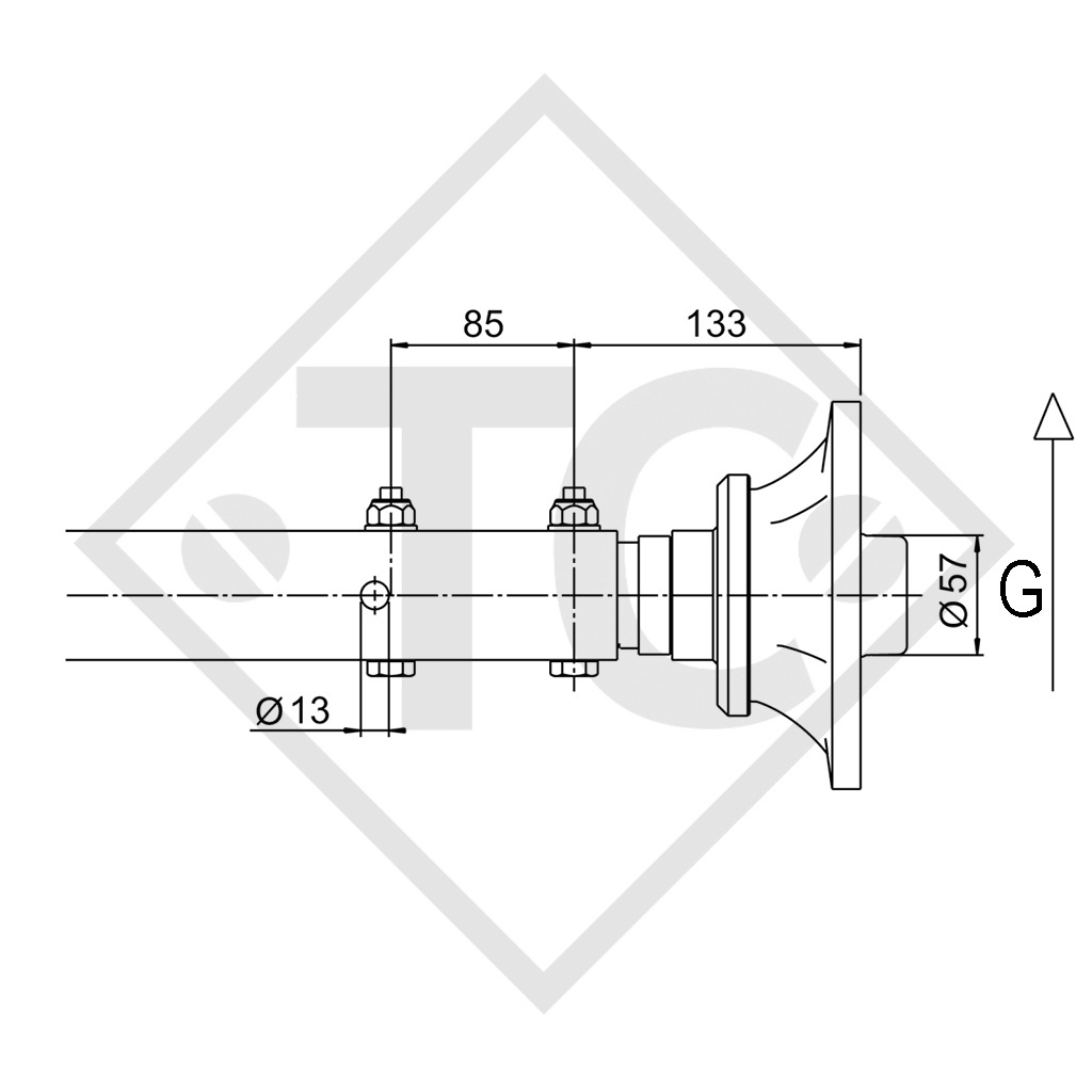
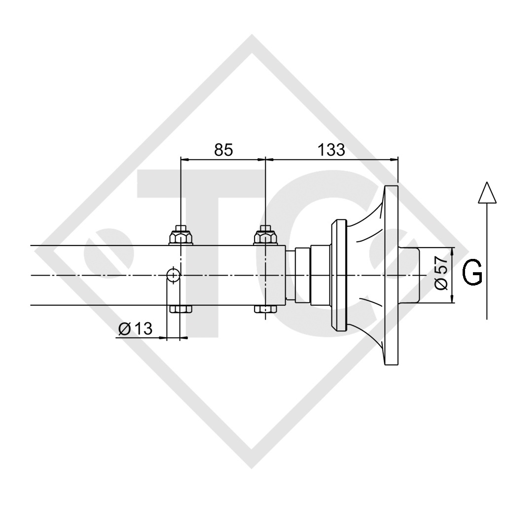
Déport (ET) 27-33mm
B: Alésage pour axe de centrage autorisé uniquement en haut pour des raisons de solidité !
D: Corps d'essieu 60x5mm
E: Couple de serrage de la vis M12x80-10.9 DIN 931: 115 +- 5 Nm
F: Attention : Position du cordon de soudure du corps carré à l'arrière dans le sens de la marche ! Monter le fraisage de la fusée en direction du cordon de soudure du corps carré !
G: Sens de la marche
Tenir compte des directives de carrossage!
Numéro d'identification des pièces détachées (ETI) 811733
TECHNIQUE
Modèle : PLUS
Type d'essieu : LS 1500
Charge à l'essieu : 1500kg
CONTENU DE LA LIVRAISON
Essieu
Vis de roue sphériques M12x1.5 en vrac
TRAITEMENT DE SURFACE
Corps d'essieu galvanisé
ACCESSOIRES
voir les pages suivantes
Ici, vous trouvez la page de catalogue sous forme de téléchargement pratique en format PDF.
Vous pouvez également saisir le code article issu du catalogue en tant que terme de recherche dans notre boutique.