Accueil / ÉCLAIRAGES / ASPÖCK / Feux de gabarit / Flatpoint 1 LED / Essieu EURO Plus 900kg freiné type d'essieu B 850-5, Beyerland 350-2
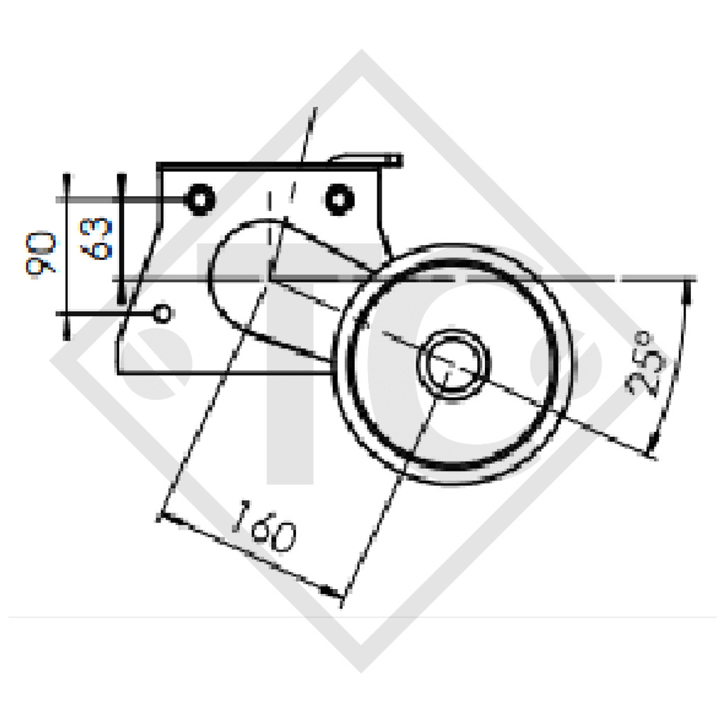
EAB : cote A 1460mm, VOIE : cote C 1940mm, perçage 100x4, type de frein de roue 1637, déport (ET) 27-33mm, position du bras de suspension 25°, corps d'essieu 80mm, vis de roue coniques M12x1.5. Lire plus...
Code article 185000664
EAB : cote A 1460mm
VOIE : cote C 1940mm
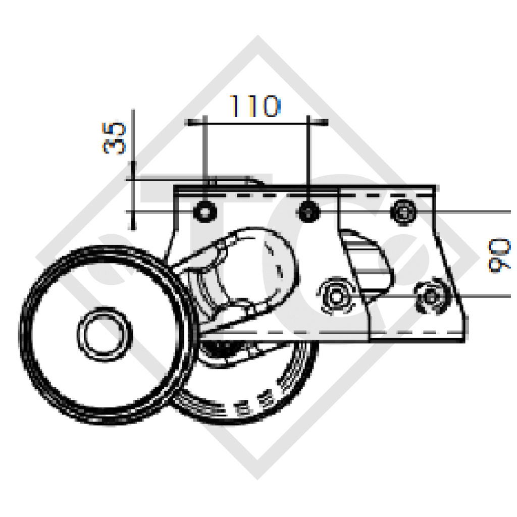
Perçage 100x4
Déport (ET) 27-33mm
Position du bras de suspension 25°
Corps d'essieu 80mm
Mode d'emploi original
Numéro d'identification des pièces détachées (ETI) ANCIEN 811159
Numéro d'identification des pièces détachées (ETI) NOUVEAU 811944
TECHNIQUE
Modèle : EURO Plus
Type d'essieu : B 850-5
Charge à l'essieu : SOLO 900kg
Charge à l'essieu : TANDEM 1600kg
Frein de roue : 1637
Suspension : Suspension hexagonale caoutchouc
Longueur du tourillon : 160mm
Roulement : Roulement compact
Trou central jante : mini 57mm
CONTENU DE LA LIVRAISON
Essieu
Vis de roue coniques M12x1.5 en vrac
Palonnier fourni pour essieu solo
Câbles de frein en vrac
TRAITEMENT DE SURFACE
Corps d'essieu galvanisé
Frein de roue zingué