Accueil / TREUILS / ACCESSOIRES TREUILS / HOUSSE DE PROTECTION / Essieu EURO COMPACT 1500kg freiné type d'essieu B 1600-3
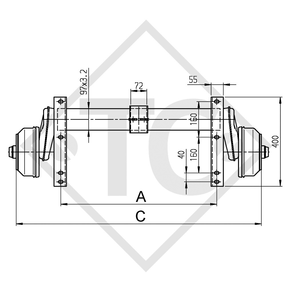
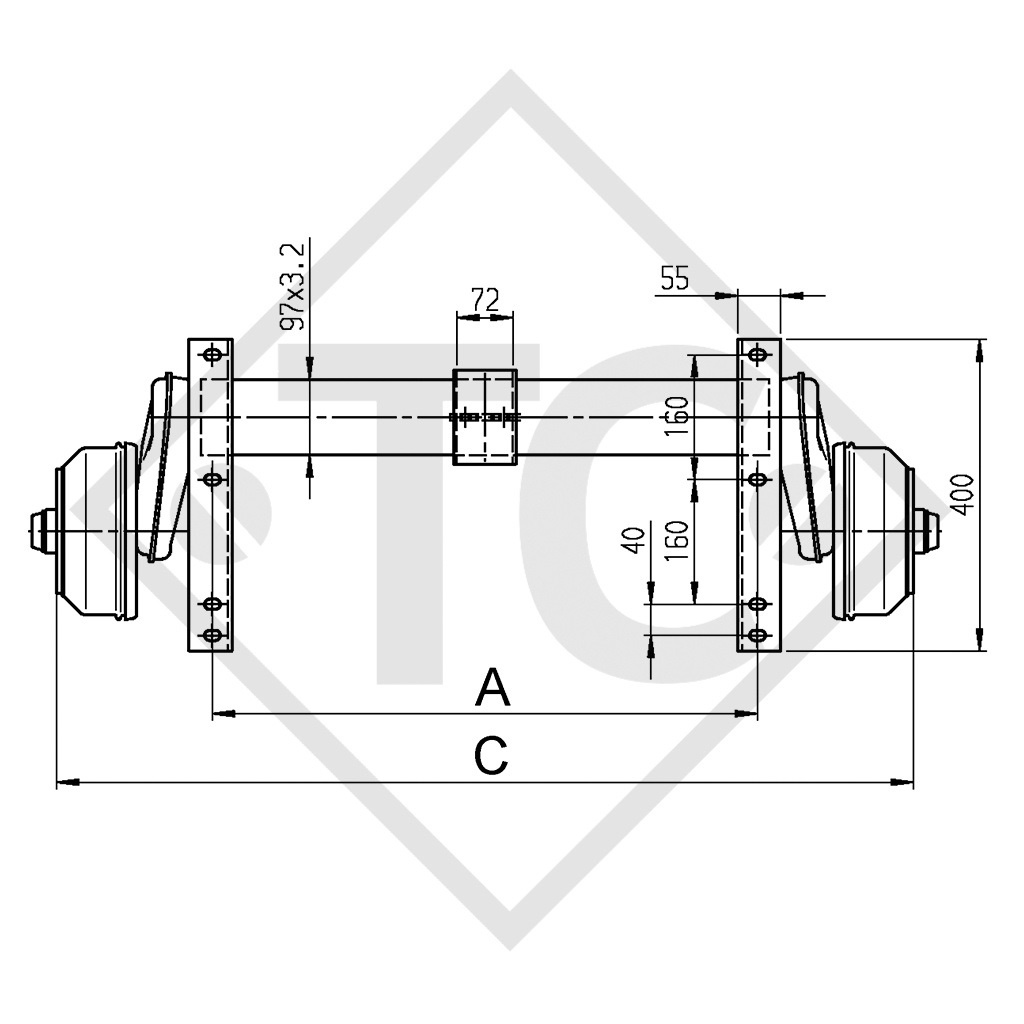
EAB : cote A 700mm, VOIE : cote C 1100mm, perçage 112x5, type de frein de roue 2051 Ab, déport (ET) 30mm, position du bras de suspension 25°, corps d'essieu 97mm. Lire plus...
Code article 1212678 (1323674)
EAB : cote A 700mm
VOIE : cote C 1100mm
Perçage 112x5
Déport (ET) 30mm
Position du bras de suspension 25°
Corps d'essieu 97mm
Mode d'emploi original
Numéro d'identification des pièces détachées (ETI) ANCIEN 811158
Numéro d'identification des pièces détachées (ETI) NOUVEAU 811938
TECHNIQUE
Modèle : EURO COMPACT
Type d'essieu : B 1600-3
Charge à l'essieu : SOLO 1500kg
Charge à l'essieu : TANDEM 3000kg
Frein de roue : 2051 Ab
Suspension : Suspension hexagonale caoutchouc
Longueur du tourillon : 161.5mm
Roulement : Roulement compact
Trou central jante : mini 57mm
CONTENU DE LA LIVRAISON
Essieu
TRAITEMENT DE SURFACE
Corps d'essieu galvanisé
Frein de roue zingué
ACCESSOIRES (non fournie)
Amortisseur d'essieu