Accueil / Mots-clés / alko axle b 1200-6 / Essieu EURO COMPACT 1000kg freiné type d'essieu B 1000-3 - FITZEL 200
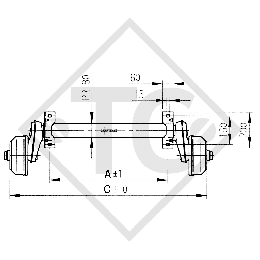
EAB : cote A 1070mm, VOIE : cote C 1675mm, perçage 100x4, type de frein de roue 2051 A, déport (ET) 27-33mm, position du bras de suspension 25°, corps d'essieu 97mm. Lire plus...
TECHNIQUE
Modèle : EURO COMPACT
Type d'essieu : B 1000-3
Charge à l'essieu : SOLO 1000kg
Charge à l'essieu : TANDEM 2000kg
Frein de roue : 2051 A
Suspension : Suspension hexagonale caoutchouc
Tourillon : 161,5mm
Perçage : 100x4 (112x5 ou 98x4)
Roulement : Roulement compact
Trou central jante : mini 57mm
CONTENU DE LA LIVRAISON
Essieu
Commande séparée pour tandem
Arrêt de gaine tandem boulonnable 249236
Palonnier tandem 238576
TRAITEMENT DE SURFACE
Corps d'essieu galvanisé
Frein de roue zingué
ACCESSOIRES (non fournie)
Amortisseur d'essieu
C'est avec plaisir que nous effectuons le travail pour vous !!! Envoyez-nous simplement une photo de votre plaque signalétique à[email protected]et nous vous faisons parvenir une offre GRATUITEMENT ET SANS ENGAGEMENT. Nous avons tous les fabricants d'essieux en stock. |