Accueil / Essieu COMPACT 900kg freiné type d'essieu B 850-5 , SIR CARAVELAIR, Sterckeman
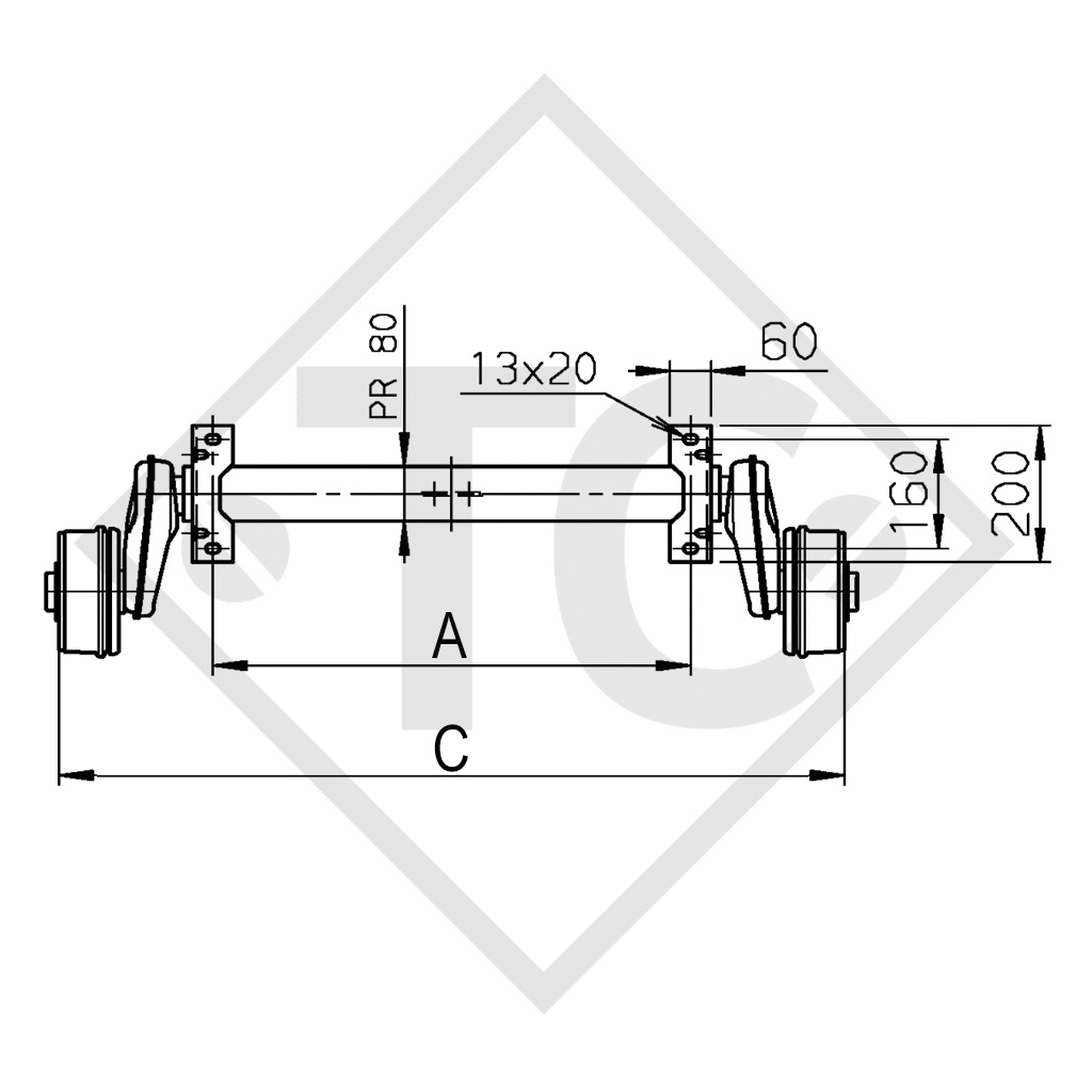
EAB : cote A 1350mm, VOIE : cote C 1810mm, perçage 130x4, type de frein de roue 1637, déport (ET) 20-33mm, position du bras de suspension 25°, corps d'essieu 80mm, vis de roue sphériques M14x1.5. Lire plus...
Code article 1270173
EAB : cote A 1350mm
VOIE : cote C 1810mm
Perçage 130x4
Déport (ET) 20-33mm
Position du bras de suspension 25°
Corps d'essieu 80mm
Mode d'emploi original
Numéro d'identification des pièces détachées (ETI) ANCIEN 811156
Numéro d'identification des pièces détachées (ETI) NOUVEAU 811973
TECHNIQUE
Modèle : COMPACT
Type d'essieu : B 850-5
Charge à l'essieu : SOLO 900kg
Charge à l'essieu : TANDEM 1600kg
Frein de roue : 1637
Suspension : Suspension hexagonale caoutchouc
Longueur du tourillon : 158mm
Roulement : Roulement compact
Trou central jante : mini 57mm
CONTENU DE LA LIVRAISON
Essieu
Vis de roue sphériques M14x1.5 en vrac
Palonnier fourni pour essieu solo
Câbles de frein en vrac
TRAITEMENT DE SURFACE
Corps d'essieu galvanisé
Frein de roue zingué