Accueil / Mots-clés / bpw essieu cb1355 / Essieu EURO COMPACT 900kg freiné type d'essieu B 850-5, Pongratz LPA150G
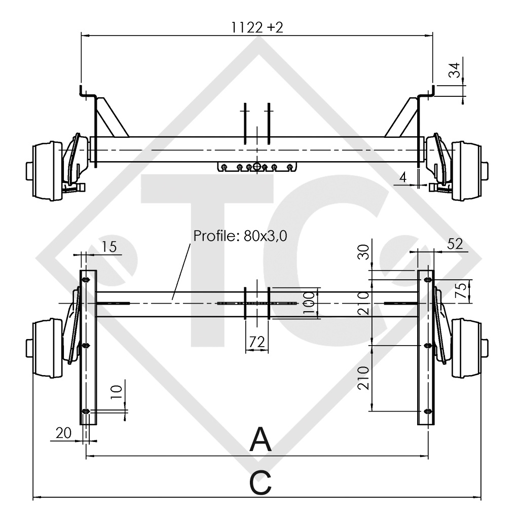
EAB : cote A 1092mm, VOIE : cote C 1550mm, perçage 100x4, type de frein de roue 1637, déport (ET) 27-33mm, position du bras de suspension 25°, corps d'essieu 80mm, vis de roue coniques M12x1.5. Lire plus...
Code article 1222874 (1347294)
EAB : cote A 1092mm
VOIE : cote C 1430mm
Perçage 100x4
Déport (ET) 27-33mm
Position du bras de suspension 25°
Corps d'essieu 80mm
Mode d'emploi original
Numéro d'identification des pièces détachées (ETI) ANCIEN 811156
Numéro d'identification des pièces détachées (ETI) NOUVEAU 811973
TECHNIQUE
Modèle : EURO COMPACT
Type d'essieu : B 850-5
Charge à l'essieu : SOLO 900kg
Charge à l'essieu : TANDEM 1600kg
Frein de roue : 1637
Suspension : Suspension hexagonale caoutchouc
Longueur du tourillon : 158mm
Roulement : Roulement compact
Trou central jante : mini 57mm
CONTENU DE LA LIVRAISON
Essieu
Vis de roue coniques M12x1.5 en vrac
Palonnier fourni pour essieu solo
Câbles de frein en vrac
TRAITEMENT DE SURFACE
Corps d'essieu galvanisé
Frein de roue zingué