Accueil / ÉCLAIRAGES / ASPÖCK / Câbles de connexion / Câble de connexion avec baïonnette 7 pôles, avec 1x sorties de chacune DC / Essieu EURO COMPACT 1500kg freiné type d'essieu B 1600-3 avec arrêt de gaine tandem en haut, Anssems MSX 3000
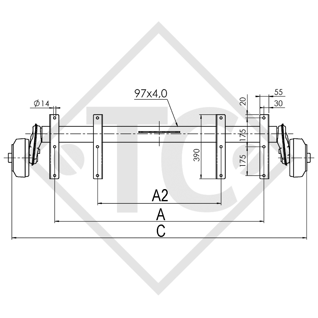
EAB : cote A 1270mm, EAB : cote A2 750mm, VOIE : cote C 1790mm, perçage 112x5, type de frein de roue 2051 Ab, déport (ET) 30mm, position du bras de suspension 25°, corps d'essieu 97mm, vis de roue sphériques M12x1.5. Lire plus...
Code article 1213413 (1344689)
EAB : cote A 1270mm
EAB : cote A2 750mm
VOIE : cote C 1790mm
Perçage 112x5
Déport (ET) 30mm
Position du bras de suspension 25°
Corps d'essieu 97mm
Mode d'emploi original
Numéro d'identification des pièces détachées (ETI) ANCIEN 811158
Numéro d'identification des pièces détachées (ETI) NOUVEAU 811938
TECHNIQUE
Modèle : EURO COMPACT
Type d'essieu : B 1600-3
Charge à l'essieu : SOLO 1500kg
Charge à l'essieu : TANDEM 3000kg
Frein de roue : 2051 vers. Ab
Suspension : Suspension hexagonale caoutchouc
Longueur du tourillon : 161.5mm
Roulement : Roulement compact
Trou central jante : mini 57mm
CONTENU DE LA LIVRAISON
Essieu
Vis de roue sphériques M12x1.5 en vrac
Arrêt de gaine essieu solo soudé
Palonnier fourni pour essieu solo
Câbles de frein en vrac
TRAITEMENT DE SURFACE
Corps d'essieu galvanisé
Frein de roue zingué
ACCESSOIRES (non fournie)
Amortisseur d'essieu
Si vous disposez d'une remorque de type tandem, selon AL-KO, les DEUX ESSIEUX doivent être remplacés.