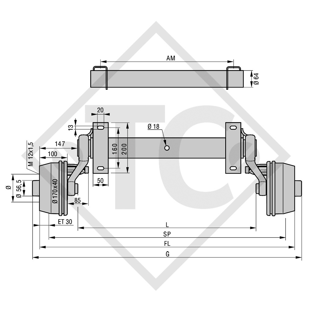
EAB : cote AM 1250mm, VOIE : cote FL 1680mm, perçage 100x4, type de frein de roue S 1704-7 RASK, déport (ET) 30mm, position du bras de suspension 20°, corps d'essieu 64mm, vis de roue coniques M12x1.5. Lire plus...

Liste de souhaits: Ajouter pour comparer:

Code article ANCIEN 46.16.382.055
Code article NOUVEAU XXXXXXX

Cote FL
1680mm
Cote SP
1620mm
Cote AM
1250mm
Cote L
1412mm
Cote G 1730mm
Modèle SWING
Type d'essieu CB854
Charge à l'essieu SOLO 850kg
Charge à l'essieu TANDEM 1700kg
Frein de roue S 1704-7 RASK
Suspension Suspension carrée caoutchouc
Longueur du tourillon 145mm
Perçage 100x4
Roulement Roulement compact
Trou central jante mind. 56.5mm

 

Mode d'emploi original
Numéro d'identification des pièces détachées (ETI) ANCIEN XX.XX.382.XXX
Numéro d'identification des pièces détachées (ETI) NOUVEAU 827032

CONTENU DE LA LIVRAISON
Essieu, y compris câbles de frein
Avec support d'amortisseur
Vis de roue coniques M12x1.5 en vrac
Arrêt de gaine essieu tandem soudé pour liaison

DÉTAILS

  • Vitesse maxi. 140 km/h
  • Attache de timon : coquilles de serrage, voir accessoires
  • Amortisseurs, voir accessoires
  • Attaches de roue : 4x98; 4x130 sur demande
  • Attaches de timon et supports d'essieu spéciaux sur demande
  • Egalement disponibles avec paliers étanches
  • Corps d’essieu entièrement galvanisé à chaud : protection de surface permanente
  • Suspension indépendante des roues : compensation optimale des irrégularités de la chaussée
  • Suspension exempte d’entretien : frais de maintenance réduits
  • Structure d’essieu robuste : résistance à des sollicitations extrêmes comme en circulation off-road ou sur des chantiers
  • Freins à levier d’expansion robustes, faciles d’entretien, avec système de recul automatique : rattrapage aisé de l’usure depuis l’extérieur directement au niveau du frein, installation des câbles de frein gainés possible à posteriori sans démontage du tambour de frein
  • Paliers compacts (standard dans l’industrie automobile) : sans entretien, durée de vie élevée, protection contre les salissures et l’eau, lubrification à vie avec de la graisse spéciale
  • Support d’amortisseur de roue compris

Ici, vous trouvez la page de catalogue sous forme de téléchargement pratique en format PDF.
Vous pouvez également saisir le code article issu du catalogue en tant que terme de recherche dans notre boutique.