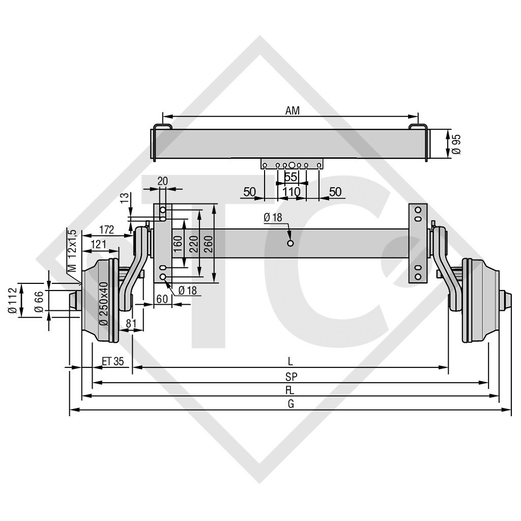
EAB : cote AM 1100mm, VOIE : cote FL 1635mm, perçage 112x5, type de frein de roue S 2504-7 RASK, déport (ET) 35mm, position du bras de suspension 20°, corps d'essieu 95mm, vis de roue sphériques M12x1.5. Lire plus...

Liste de souhaits: Ajouter pour comparer:

Code article ANCIEN 46.32.368.422
Code article NOUVEAU 4013785

Cote FL
1635mm
Cote SP
1565mm
Cote AM
1100mm
Cote L
1300mm
Cote G 1720mm
Modèle SWING
Type d'essieu CB1805
Charge à l'essieu SOLO 1800kg
Charge à l'essieu TANDEM 3500kg
Frein de roue S 2504-7 RASK
Suspension Suspension carrée caoutchouc
Longueur du tourillon 200mm
Perçage 112x5
Roulement Roulement conique
Trou central jante mind. 66mm

 

Mode d'emploi original
Numéro d'identification des pièces détachées (ETI) ANCIEN XX.XX.368.XXX
Numéro d'identification des pièces détachées (ETI) NOUVEAU 827080

CONTENU DE LA LIVRAISON
Essieu, y compris câbles de frein
Avec support d'amortisseur
Vis de roue sphériques M12x1.5 en vrac
Arrêt de gaine essieu tandem soudé pour liaison

DÉTAILS

  • Vitesse maxi. 140 km/h
  • Attache de timon : coquilles de serrage, voir accessoires
  • Amortisseurs, voir accessoires
  • Attaches de roue : 140x5 sur demande
  • Attaches de timon et supports d'essieu spéciaux sur demande
  • Egalement disponibles avec paliers étanches
  • Corps d’essieu entièrement galvanisé à chaud : protection de surface permanente
  • Suspension indépendante des roues : compensation optimale des irrégularités de la chaussée
  • Suspension exempte d’entretien : frais de maintenance réduits
  • Structure d’essieu robuste : résistance à des sollicitations extrêmes comme en circulation off-road ou sur des chantiers
  • Freins à levier d’expansion robustes, faciles d’entretien, avec système de recul automatique : rattrapage aisé de l’usure depuis l’extérieur directement au niveau du frein, installation des câbles de frein gainés possible à posteriori sans démontage du tambour de frein
  • Support d’amortisseur de roue compris
  • Roulement conique

Ici, vous trouvez la page de catalogue sous forme de téléchargement pratique en format PDF.
Vous pouvez également saisir le code article issu du catalogue en tant que terme de recherche dans notre boutique.