Accueil / Mots-clés / alko essieu b 850-10 / Essieu avant tandem BASIC 1600kg freiné type d'essieu B 1600-1 avec liaison 130mm et AAA (réglage automatique des garnitures de frein)
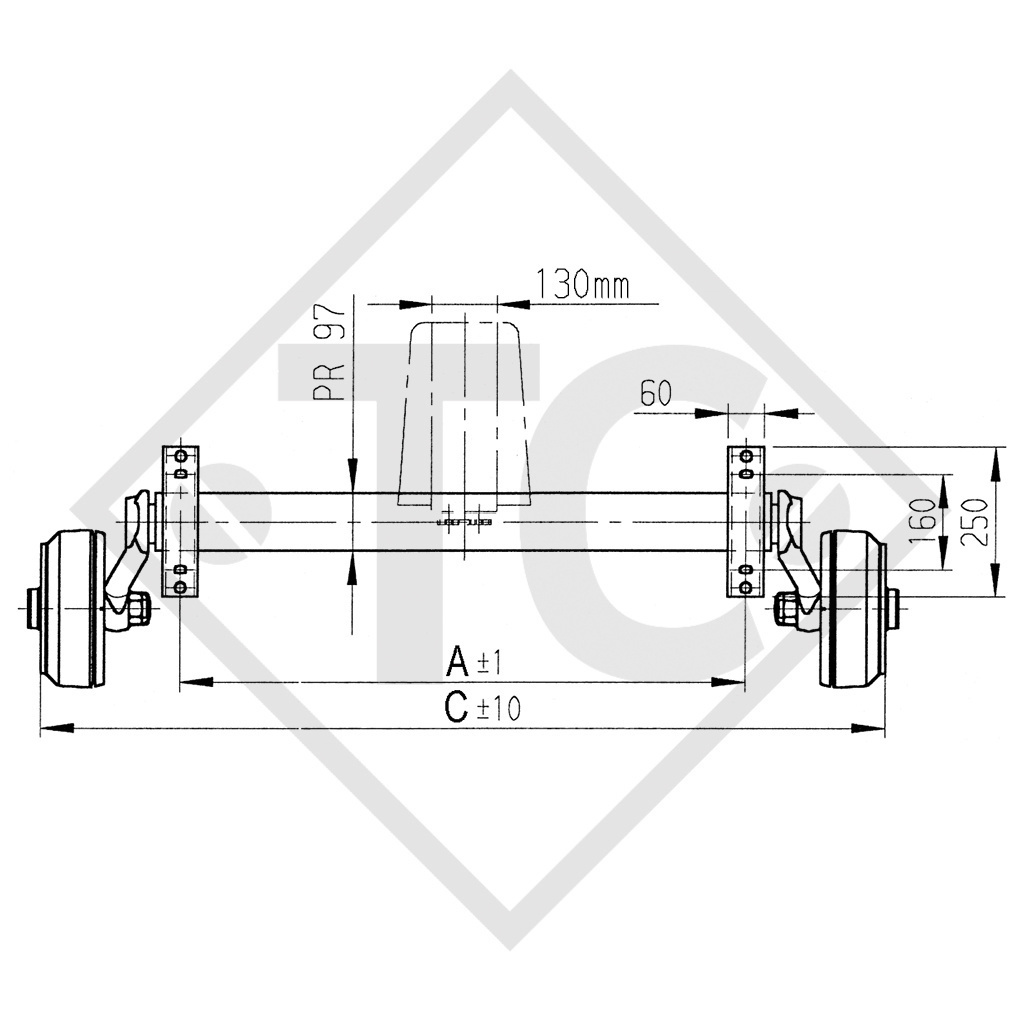
EAB : cote A 1625mm, VOIE : cote C 2095mm, perçage 112x5, type de frein de roue 2361 avec AAA, déport (ET) 30mm, position du bras de suspension 25°, corps d'essieu 97mm, vis de roue sphériques M12x1.5. Lire plus...
Code article sur demande
EAB : cote A 1625mm
VOIE : cote C 2095mm
EA: 130mm
Perçage 112x5
Déport (ET) 30mm
Position du bras de suspension 25°
Corps d'essieu 97mm
Mode d'emploi original
Numéro d'identification des pièces détachées (ETI) 811731
TECHNIQUE
Modèle : BASIC
Type d'essieu : B 1600-1
Charge à l'essieu : SOLO 1600kg
Charge à l'essieu : TANDEM 3200kg
Frein de roue : 2361 avec AAA (réglage automatique des garnitures de frein)
Suspension : Suspension hexagonale caoutchouc
Longueur du tourillon : 160mm
Roulement : Roulement compact
Trou central jante : mini 63mm
CONTENU DE LA LIVRAISON
Essieu
Vis de roue sphériques M12x1.5 en vrac
Arrêt de gaine essieu solo soudé pour liaison
Palonnier fourni pour essieu solo
Câbles de frein en vrac
TRAITEMENT DE SURFACE
Corps d'essieu galvanisé
Frein de roue zingué
ACCESSOIRES (non fournie)
Amortisseur d'essieu