Accueil / Mots-clés / simol / Essieu avant tandem BASIC 1000kg freiné type d'essieu B 850-10 avec liaison 90mm
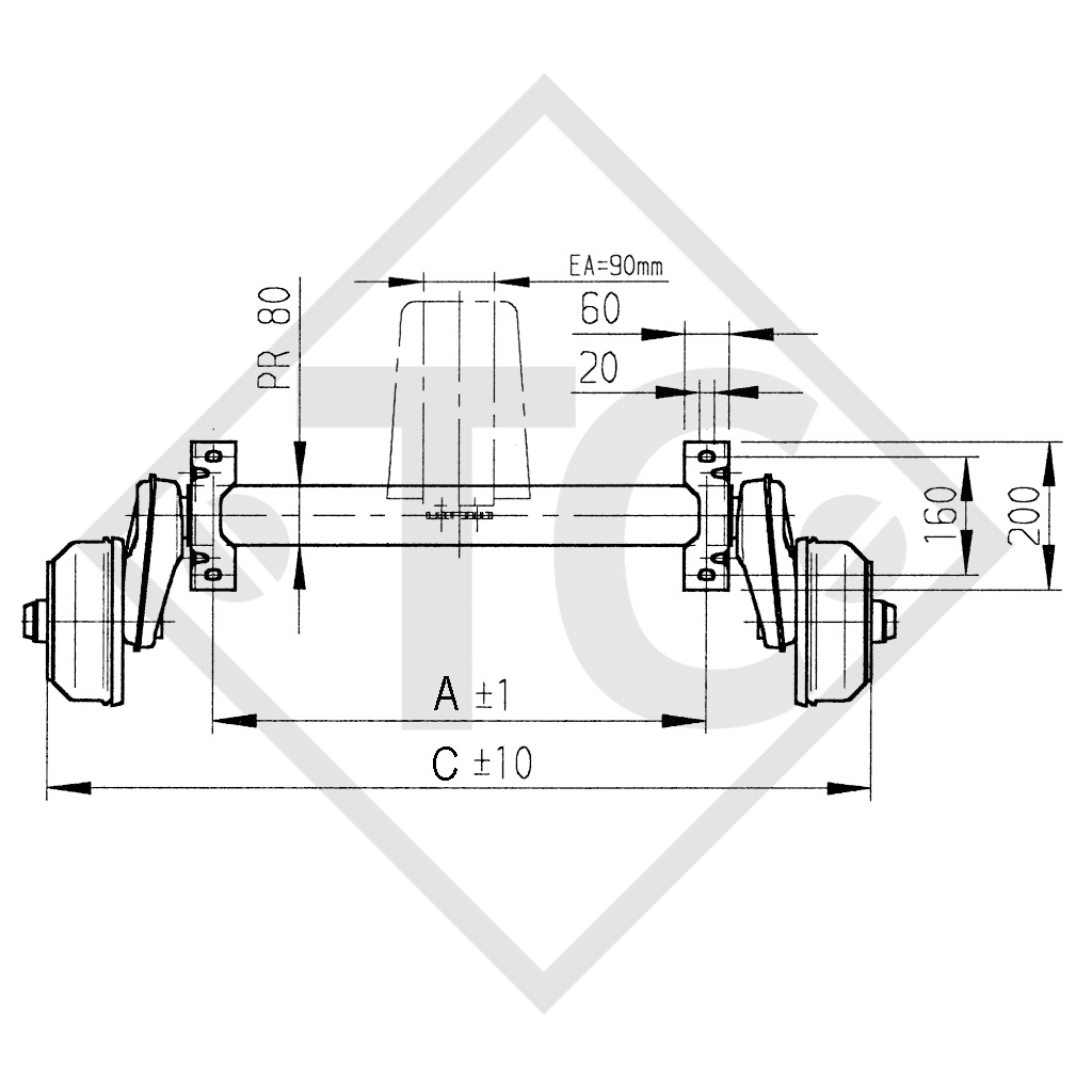
EAB : cote A 750mm, VOIE : cote C 1200mm, perçage 112x5, type de frein de roue 2051, déport (ET) 27-33mm, position du bras de suspension 25°, corps d'essieu 80mm, vis de roue sphériques M12x1.5. Lire plus...
Code article 20015057
EAB : cote A 750mm
VOIE : cote C 1200mm
Perçage 112x5
Déport (ET) 27-33mm
Position du bras de suspension 25°
Corps d'essieu 80mm
Mode d'emploi original
Numéro d'identification des pièces détachées (ETI) ANCIEN 811157
Numéro d'identification des pièces détachées (ETI) NOUVEAU 811941
TECHNIQUE
Modèle : BASIC
Type d'essieu : B 850-10
Charge à l'essieu : SOLO 1000kg
Charge à l'essieu : TANDEM 2000kg
Frein de roue : 2051
Suspension : Suspension hexagonale caoutchouc
Longueur du tourillon : 158mm
Roulement : Roulement compact
Trou central jante : mini 57mm
CONTENU DE LA LIVRAISON
Essieu
Vis de roue sphériques M12x1.5 en vrac
Arrêt de gaine essieu solo soudé pour liaison (arrêt de gaine solo et tandem)
Palonnier fourni pour essieu solo
Câbles de frein en vrac
TRAITEMENT DE SURFACE
Corps d'essieu galvanisé
Frein de roue zingué
ACCESSOIRES (non fournie)
Amortisseur d'essieu