Accueil / Mots-clés / alko axle b 850-10 / Essieu arrière tandem BASIC 1000kg freiné type d'essieu B 850-10 avec AAA (réglage automatique des garnitures de frein)
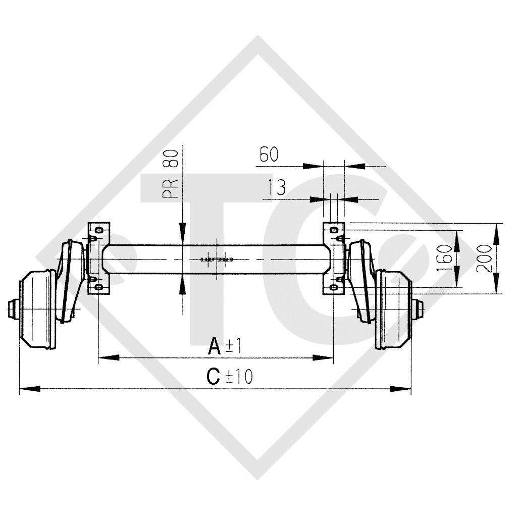
EAB : cote A 1800mm, VOIE : cote C 2250mm, perçage 112x5, type de frein de roue 2051 avec AAA, déport (ET) 27-33mm, position du bras de suspension 25°, corps d'essieu 80mm, vis de roue sphériques M12x1.5. Lire plus...
Code article 20058582
EAB : cote A 1800mm
VOIE : cote C 2250mm
Perçage 112x5
Déport (ET) 27-33mm
Position du bras de suspension 25°
Corps d'essieu 80mm
Mode d'emploi original
Numéro d'identification des pièces détachées (ETI) ANCIEN 811709
Numéro d'identification des pièces détachées (ETI) NOUVEAU 811943
TECHNIQUE
Modèle : BASIC
Type d'essieu : B 850-10
Charge à l'essieu : SOLO 1000kg
Charge à l'essieu : TANDEM 2000kg
Frein de roue : 2051 avec AAA (réglage automatique des garnitures de frein)
Suspension : Suspension hexagonale caoutchouc
Longueur du tourillon : 158mm
Roulement : Roulement compact
Trou central jante : mini 57mm
CONTENU DE LA LIVRAISON
Essieu
Vis de roue sphériques M12x1.5 en vrac
Arrêt de gaine essieu solo soudé
Palonnier fourni pour essieu solo
Câbles de frein en vrac
TRAITEMENT DE SURFACE
Corps d'essieu galvanisé
Frein de roue zingué
ACCESSOIRES (non fournie)
Amortisseur d'essieu
Ici, vous trouvez la page de catalogue sous forme de téléchargement pratique en format PDF.
Vous pouvez également saisir le code article issu du catalogue en tant que terme de recherche dans notre boutique.