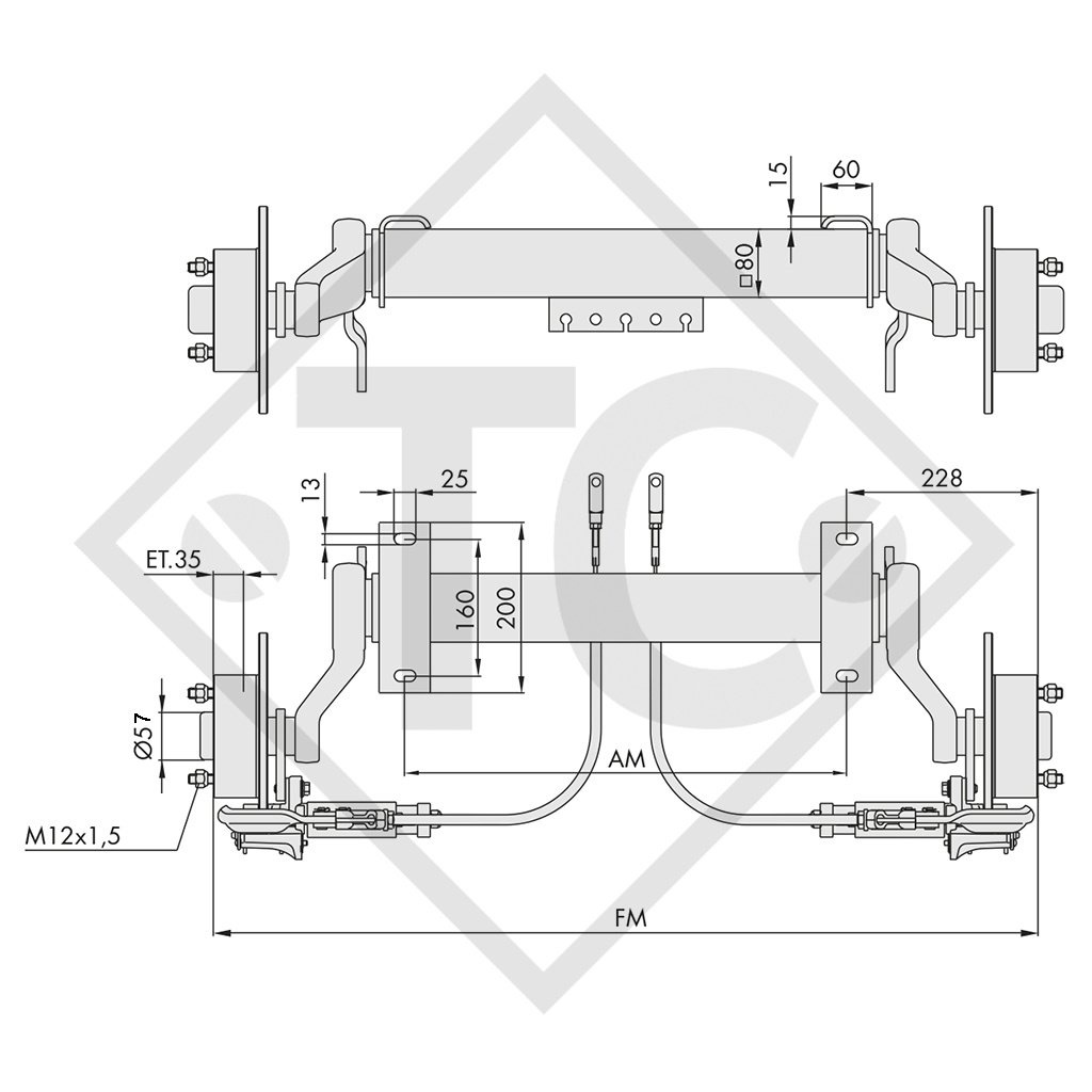
EAB : cote AM 1600mm, VOIE : cote FM 2040mm, perçage 112x5, type frein à disque WS 245, déport (ET) 35mm, vis de roue sphériques M12x1.5. Lire plus...

Liste de souhaits: Ajouter pour comparer:
Code article WAPWAG135BS017
Cote AM
1600mm
Cote FM
2040mm
Perçage 112x5

 

Liste des pièces détachées pour type de frein WS 245
Câbles de freins

TECHNIQUE
Modèle : WAG-B
Type d'essieu : WAG 135 BS
Charge à l'essieu : 1350kg
Suspension : Suspension carrée caoutchouc
Longueur du tourillon : 160mm
Roulement : Roulement compact
Trou central jante : mini 57mm

CONTENU DE LA LIVRAISON
Essieu avec frein de roue
Vis de roue sphériques M12x1.5 en vrac

TRAITEMENT DE SURFACE
Corps d'essieu galvanisé

Ici, vous trouvez la page de catalogue sous forme de téléchargement pratique en format PDF.
Vous pouvez également saisir le code article issu du catalogue en tant que terme de recherche dans notre boutique.

C'est avec plaisir que nous effectuons le travail pour vous !!! Envoyez-nous simplement une photo de votre plaque signalétique à

[email protected]

et nous vous faisons parvenir une offre GRATUITEMENT ET SANS ENGAGEMENT. Nous avons tous les fabricants d'essieux en stock.