Accueil / ÉLÉMENT DU CHÂSSIS / ÉLÉMENT DU CHÂSSIS AL-KO / ESSIEUX / ESSIEUX FREINÉS & ACCESSOIRES / ESSIEUX FREINÉS / ESSIEUX À ELEMENTS CAOUTCHOUC POUR REMORQUES À FREINAGE À AIR / ESSIEUX À ELEMENTS CAOUTCHOUC POUR REMORQUES À FREINAGE À AIR, ESSIEU SOLO JUSQU'À 3000KG, TYPE D'ESSIEU BL 3000 / Demi-essieux freinés 1050kg type d'essieu DBST 1054 (paire) 45.21.379.473 et 45.21.379.474
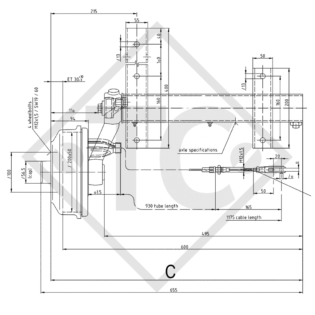
EAB : cote A 315mm, VOIE : cote C 630mm, perçage 100x4, type de frein de roue S 2005-7 RASK, déport (ET) 27-35mm, position du bras de suspension 13°, corps d'essieu 70mm, vis de roue coniques M12x1.5. Lire plus...
Code article ANCIEN 45.21.379.473 + 45.21.379.474
Code article NOUVEAU 4012143 + 4012144
| Demi-essieux freinés |
| Charge à l'essieu par paire |
1050kg |
| Type | DBST 1054 |
| Frein de roue |
S 2005-7 RASK |
| Perçage | 100x4 |
| EAB : cote A | 315mm |
| VOIE : cote C | 630mm |
| Déport : ET |
27-35mm |
Mode d'emploi original
Numéro d'identification des pièces détachées (ETI) ANCIEN XX.XX.379.XXX
Numéro d'identification des pièces détachées (ETI) NOUVEAU 827030
CONTENU DE LA LIVRAISON
Demi-essieux
Arrêt de gaine essieu solo en vrac
Palonnier essieu solo en vrac
Câbles de frein en vrac
Vis de roue en vrac
TRAITEMENT DE SURFACE
Corps d’essieu galvanisé