Inicio / CHASIS DE REMOLQUE, PIEZAS / CHASIS DE REMOLQUE, PIEZAS WAP / EJES / EJES CON FRENO & ACCESORIOS / EJE CON FRENO 1000KG WAS-B, TIPO DE EJE WAS 100 B / Semi ejes con freno 1050kg tipo de eje DBST 1054 (par) 45.21.379.473 y 45.21.379.474
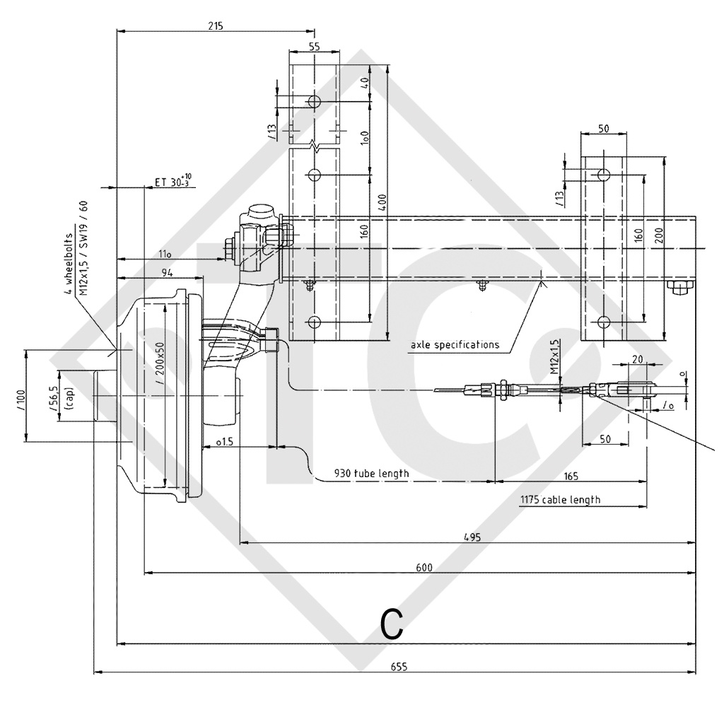
cota A 315mm, cota C 630mm, ataque 100x4, tipo de freno de rueda S 2005-7 RASK, bombeo (ET) 27-35mm, bombeo 13°, perfil de eje 70mm, pernos de rueda cónicos M12x1.5. Leer más...
N.º de ref. VIEJO 45.21.379.473 + 45.21.379.474
N.º de ref. NUEVO 4012143 + 4012144
| Semi ejes con freno |
| Carga por eje por cada par |
1050kg |
| Tipo |
DBST 1054 |
| Freno de rueda |
S 2005-7 RASK |
| Ataque |
100x4 |
| Cota A | 315mm |
| Cota C |
630mm |
| Bombeo ET |
27-35mm |
Manual original de instrucciones
Número de identificación de la pieza de repuesto (ETI) VIEJO XX.XX.379.XXX
Número de identificación de la pieza de repuesto (ETI) NUEVO 827030
COMPOSICIÓN DE ENTREGA
Semi ejes
Soporte adaptador para un eje
Perfil compensador para un eje suelto
Cables bowden sueltos
Pernos de rueda sueltos
TRATAMIENTO DE LA SUPERFICIE
Cuerpo de eje galvanizado en caliente