Inicio / CHASIS DE REMOLQUE, PIEZAS / CHASIS DE REMOLQUE, PIEZAS WAP / EJES / EJES SIN FRENO & ACCESORIOS / EJE SIN FRENO 1500KG WAG-L, TIPO DE EJE WAG 150 L / Eje sin freno 750kg PLUS OPTIMA tipo de eje 700-5 con soporte intermedio aumentado
cota A 1267mm, cota C 1630mm, ataque 112x5, bombeo (ET) 27-45mm, pernos de rueda esférico M12x1.5. Leer más...
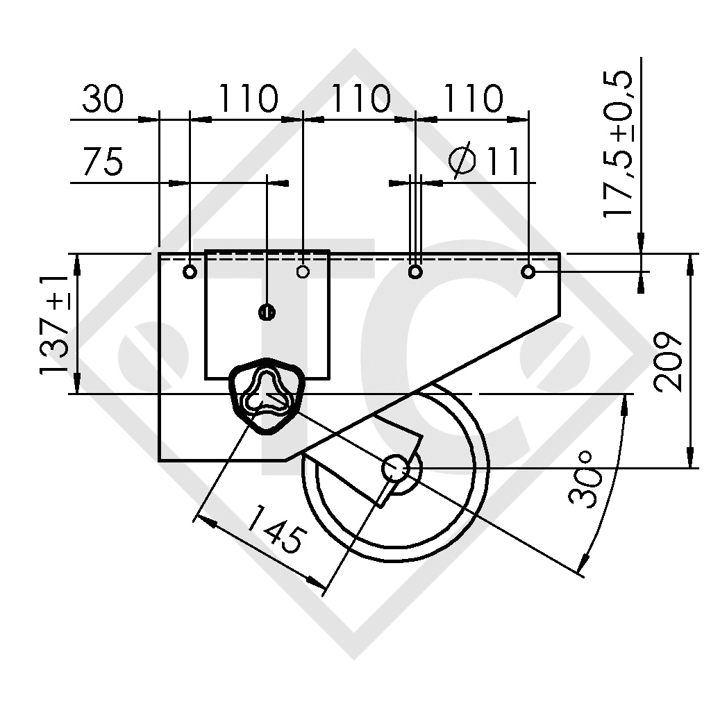
N.º de ref. 1425852 (1346980 o 1529091)
Cota A 1267mm
Cota C 1630mm
Ataque 112x5
Bombeo (ET) 27-45mm
Posición del brazo oscilante 30°
Perfil de eje 71mm
Manual original de instrucciones
Número de identificación de la pieza de repuesto (ETI) 811241
TÉCNICA
Modelo: PLUS OPTIMA
Tipo de eje: 700-5
Carga por eje: 750kg
Suspensión: Suspensión hexagonal de caucho
Longitud de brazo oscilante: 145mm
Rodamientos: Rodamiento compacto
Agujero central de la llanta: mín. 57mm
ATENCIÓN: Estos ejes no se pueden combinar con ruedas completas de 8 pulgadas.
COMPOSICIÓN DE ENTREGA
Eje
Pernos de rueda esférico M12x1.5 sueltos
TRATAMIENTO DE LA SUPERFICIE
Cuerpo de eje galvanizado en caliente