Inicio / RUEDAS JOCKEY / SIMOL RUEDAS JOCKEY / Eje sin freno 1350kg tipo de eje UBR PLUS 1200-6
cota A 730mm, cota C 1220mm, perfil de eje 97mm, ataque 112x5, bombeo (ET) 27-33mm, pernos de rueda esférico M12x1.5. Leer más...
N.º de ref. WBA22040401
Cota A 730mm
Cota C 1250mm
Ataque 112x5
Bombeo (ET) 27-33mm
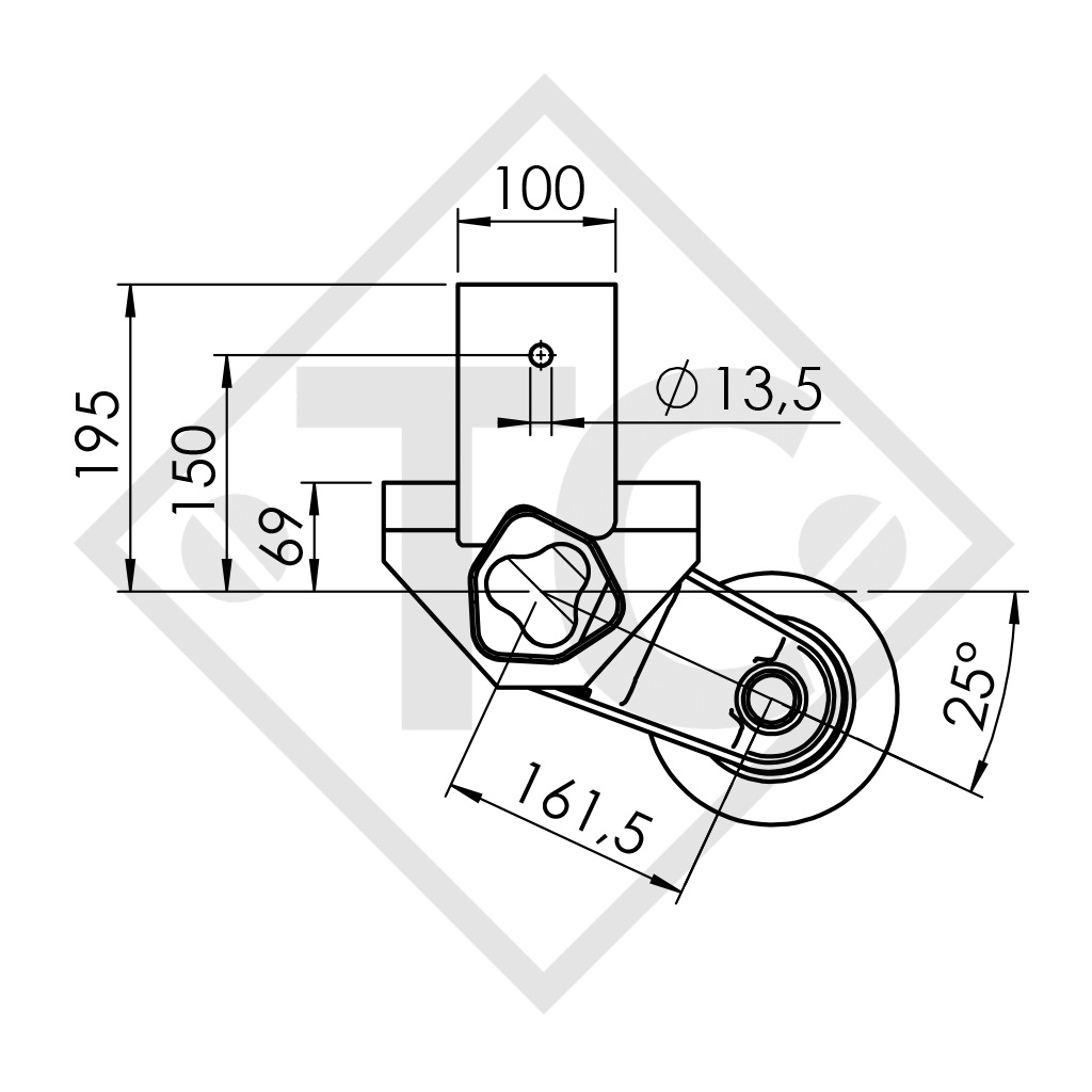
Posición del brazo oscilante 25°
Perfil de eje 97mm
Manual original de instrucciones
Número de identificación de la pieza de repuesto (ETI) 811980
TÉCNICA
Modelo: PLUS
Tipo de eje: UBR 1200-6
Carga por eje: 1350kg
Suspensión: Suspensión hexagonal de caucho
Longitud de brazo oscilante: 161,5mm
Rodamientos: Rodamiento compacto
Agujero central de la llanta: mín. 57mm
COMPOSICIÓN DE ENTREGA
Eje
Pernos de rueda esférico M12x1.5 sueltos
TRATAMIENTO DE LA SUPERFICIE
Cuerpo de eje galvanizado en caliente