Inicio / CHASIS DE REMOLQUE, PIEZAS / CHASIS DE REMOLQUE, PIEZAS AL-KO / LANZAS / LANZAS CUADRADAS RECTAS HASTA 750KG / Eje rígido sin freno 1800kg PLUS tipo de eje LS 1800
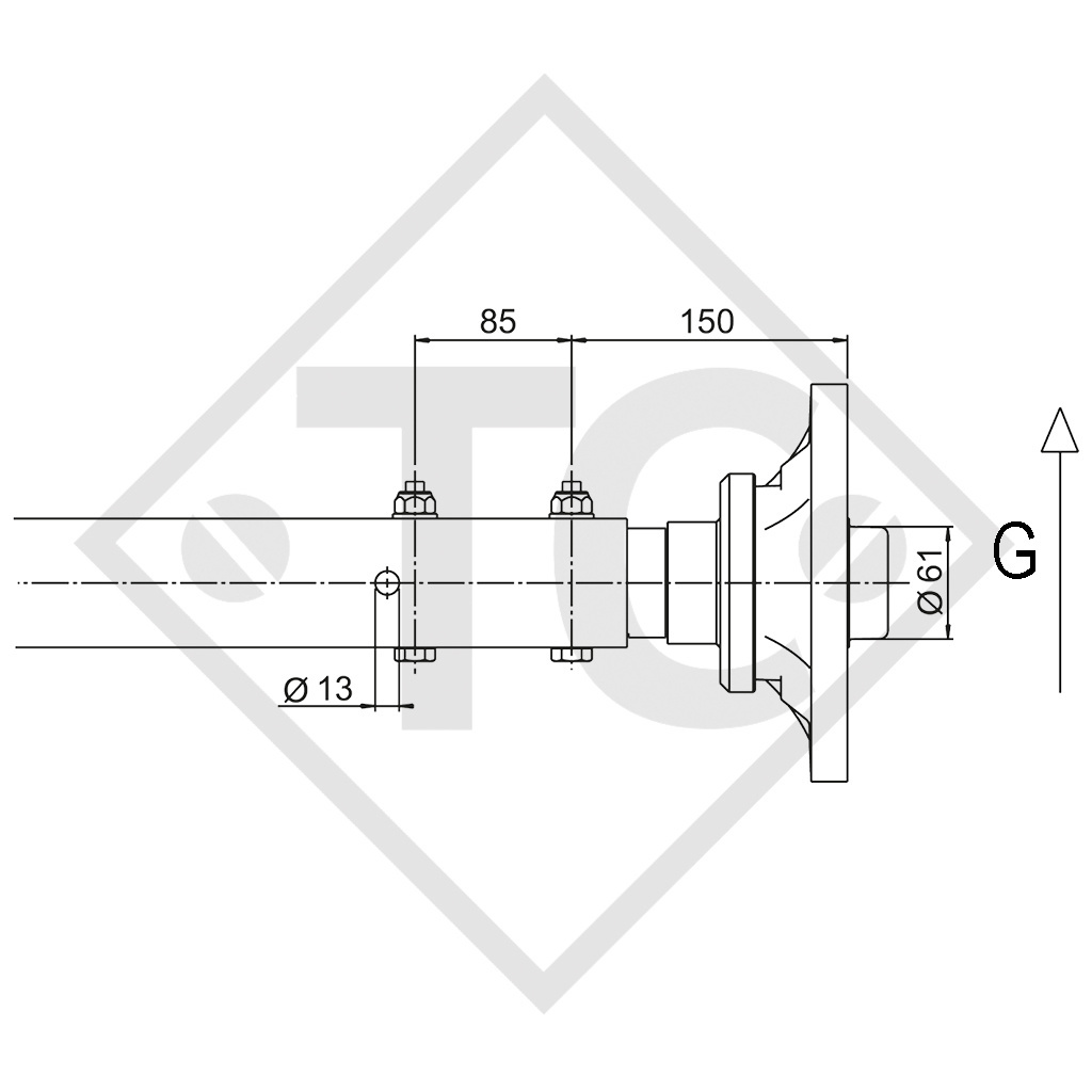
cota A 1550mm, cota C 2050mm, ataque 112x5, bombeo (ET) 27-33mm, perfil de eje 70x5mm, pernos de rueda esférico M12x1.5. Leer más...
N.º de ref. 20058017
| Cota A | 1550mm |
| Cota C | 2050mm |
| Ataque | 112x5 |
Bombeo (ET) 27-33mm
B: Agujero para bulón central permitido solo en la parte superior por razones de resistencia.
D: Perfil de eje 70x5mm
E: Par de apriete del tornillo M12x80-10.9 DIN 931: 140 +- 5 Nm
F: Atención: Posición del cordón de soldadura tubo cuadrado atrás en el sentido de la marcha. Montar el plano fresado de la mangueta contra el cordón de soldadura del tubo cuadrado.
G: Sentido de la marcha
Tener en cuenta las directrices de montaje.
Número de identificación de la pieza de repuesto (ETI) 811659
TÉCNICA
Modelo: PLUS
Tipo de eje: LS 1800
Carga por eje: 1800kg
COMPOSICIÓN DE ENTREGA
Eje
Pernos de rueda esférico M12x1.5 sueltos
TRATAMIENTO DE LA SUPERFICIE
Cuerpo de eje galvanizado en caliente
ACCESORIOS
Véanse las páginas siguientes
Aquí puede encontrar la página del catálogo en un cómodo formato PDF para descargar.
También puede introducir el número de pedido del catálogo como término de búsqueda en nuestra tienda.