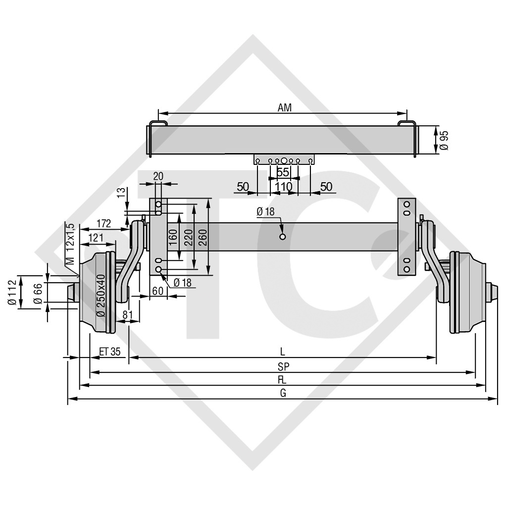
cota AM 1550mm, cota FL 2085mm, ataque 112x5, tipo de freno de rueda S 2504-7 RASK, bombeo (ET) 35mm, posición del brazo oscilante 20°, perfil de eje 95mm, pernos de rueda esférico M12x1.5. Leer más...

Lista de deseos: Añadir a comparar:

N.º de ref. VIEJO 46.32.368.431
N.º de ref. NUEVO 4013793

Cota FL
2085mm
Cota SP
2015mm
Cota AM
1550mm
Cota L
1750mm
Cota G 2170mm
Modelo SWING
Tipo de eje CB1805
Carga por eje sencillo 1800kg
Carga por eje tándem 3500kg
Freno de rueda S 2504-7 RASK
Suspensión Suspensión cauchutada cuadrada
Longitud de brazo oscilante 200mm
Ataque 112x5
Rodamientos Rodamiento de rodillos
Agujero central de la llanta mín. 66mm

 

Manual original de instrucciones
Número de identificación de la pieza de repuesto (ETI) VIEJO XX.XX.368.XXX
Número de identificación de la pieza de repuesto (ETI) NUEVO 827080

COMPOSICIÓN DE ENTREGA
Eje incl. cables bowden sueltos
Con soporte amortiguador
Pernos de rueda esférico M12x1.5 sueltos
Soporte de tándem soldado con perfil en U

DATOS

  • Velocidad máxima 140 km/h
  • Soportes de lanza: Abrazaderas véanse los accesorios
  • Amortiguador véanse los accesorios
  • Ataques: 140x5 previa solicitud
  • Dimensiones especiales previa solicitud
  • Con rodamiento estanco previa solicitud
  • Cuerpo de eje galvanizado en caliente
  • Suspensión independiente: De esta forma las irregularidades de la carretera solo afectan al lado en el que se originan
  • Suspensión de caucho comprobada y sin necesidad mantenimiento: Costes de mantenimiento más bajos
  • Robustos diseños
  • Reajuste del freno de rueda fácil de realizar durante el servicio
  • Incl. soporte de amortiguador
  • Rodamiento de rodillos

Aquí puede encontrar la página del catálogo en un cómodo formato PDF para descargar.
También puede introducir el número de pedido del catálogo como término de búsqueda en nuestra tienda.