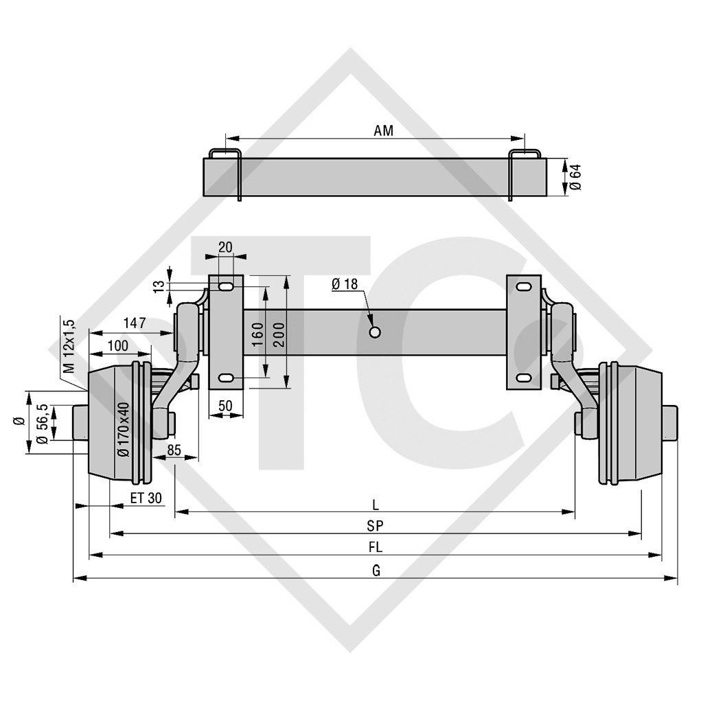
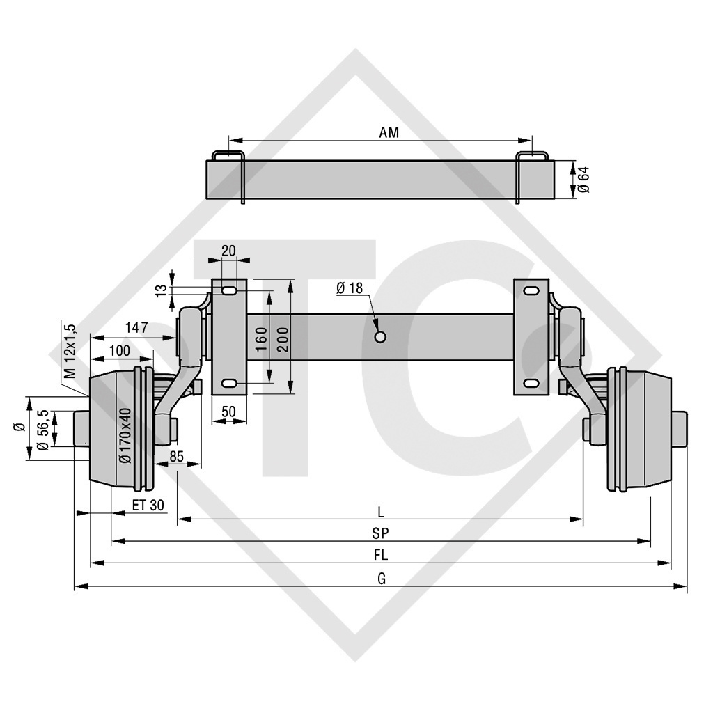
cota AM 1200mm, cota FL 1630mm, ataque 112x5, tipo de freno de rueda S 1704-7 RASK, bombeo (ET) 30mm, posición del brazo oscilante 20°, perfil de eje 64mm, pernos de rueda esférico M12x1.5. Leer más...

Lista de deseos: Añadir a comparar:

N.º de ref. VIEJO 46.16.382.074
N.º de ref. NUEVO 4012725

Cota FL
1630mm
Cota SP
1570mm
Cota AM
1200mm
Cota L
1362mm
Cota G 1680mm
Modelo SWING
Tipo de eje CB855
Carga por eje sencillo 850kg
Carga por eje tándem 1700kg
Freno de rueda S 1704-7 RASK
Suspensión Suspensión cauchutada cuadrada
Longitud de brazo oscilante 145mm
Ataque 112x5
Rodamientos Rodamiento compacto
Agujero central de la llanta mín. 56.5mm

 

Manual original de instrucciones
Número de identificación de la pieza de repuesto (ETI) VIEJO XX.XX.382.XXX
Número de identificación de la pieza de repuesto (ETI) NUEVO 827032

COMPOSICIÓN DE ENTREGA
Eje incl. cables bowden sueltos
Con soporte amortiguador
Pernos de rueda esférico M12x1.5 sueltos
Soporte de tándem soldado con perfil en U

DATOS

  • Velocidad máxima 140 km/h
  • Soportes de lanza: Abrazaderas véanse los accesorios
  • Amortiguador véanse los accesorios
  • Ataques: 4x98; 4x130 previa solicitud
  • Dimensiones especiales previa solicitud
  • Con rodamiento estanco previa solicitud
  • Cuerpo de eje galvanizado en caliente
  • Suspensión independiente: De esta forma las irregularidades de la carretera solo afectan al lado en el que se originan
  • Suspensión de caucho comprobada y sin necesidad mantenimiento: Costes de mantenimiento más bajos
  • Robustos diseños
  • Reajuste del freno de rueda fácil de realizar durante el servicio
  • Rodamientos compactos: No requiere mantenimiento, larga vida de producto, protegido contra la suciedad y el agua, lubricado de por vida con grasa especial
  • Incl. soporte de amortiguador

Aquí puede encontrar la página del catálogo en un cómodo formato PDF para descargar.
También puede introducir el número de pedido del catálogo como término de búsqueda en nuestra tienda.