Inicio / CHASIS DE REMOLQUE, PIEZAS / CHASIS DE REMOLQUE, PIEZAS SCHLEGL / EJES / EJES SIN FRENO & ACCESORIOS / EJE RÍGIDO SIN FRENO CON BALLESTAS / EJE RÍGIDO SIN FRENO 750KG / Eje delantero tándem con freno 1600kg BASIC tipo de eje B 1600-1 con perfil en U 130mm
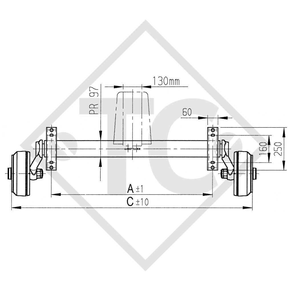
cota A 1310mm, cota C 1780mm, ataque 112x5, tipo de freno de rueda 2361, bombeo (ET) 30mm, posición del brazo oscilante 25°, perfil de eje 97mm, pernos de rueda cónicos M12x1.5. Leer más...
N.º de ref. 20002610
Cota A 1310mm
Cota C 1780mm
EA: 130mm
Ataque 112x5
Bombeo (ET) 30mm
Posición del brazo oscilante 25°
Perfil de eje 97mm
Manual original de instrucciones
Número de identificación de la pieza de repuesto (ETI) 811136
TÉCNICA
Modelo: BASIC
Tipo de eje: B 1600-1
Carga por eje sencillo: 1600kg
Carga por eje tándem: 3200kg
Freno de rueda: 2361
Suspensión: Suspensión hexagonal de caucho
Longitud de brazo oscilante: 160mm
Rodamientos: Rodamientos compacto
Agujero central de la llanta: mín. 63mm
COMPOSICIÓN DE ENTREGA
Eje
Pernos de rueda cónicos M12x1.5 sueltos
Soporte de un eje soldado con perfil en U
Perfil compensador con un eje incluido en el composición de entrega
Cables bowden sueltos
TRATAMIENTO DE LA SUPERFICIE
Cuerpo de eje galvanizado en caliente
Freno de rueda con cincado galvanizado
ACCESORIOS (no se incluye en el composición de entrega)
Amortiguador de eje