Inicio / CHASIS DE REMOLQUE, PIEZAS / CHASIS DE REMOLQUE, PIEZAS AL-KO / ENGANCHES DE INERCIA / ENGANCHES DE INERCIA EN V / LANZAS EN V, SOPORTE UNIÓN EJE-LANZA, TRAVESAÑO DE RUEDA JOCKEY, VARILLA DE FRENO / TRAVERSAÑO DE RUEDA JOCKEY / Eje delantero tándem con freno 1000kg BASIC tipo de eje B 850-10 con perfil en U 90mm
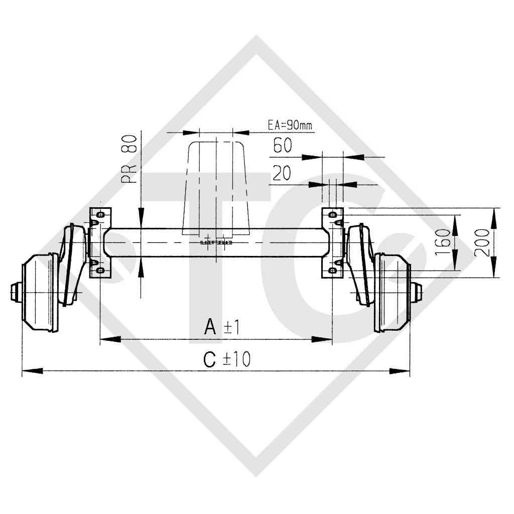
cota A 1800mm, cota C 2250mm, ataque 112x5, tipo de freno de rueda 2051, bombeo (ET) 27-33mm, posición del brazo oscilante 25°, perfil de eje 80mm, pernos de rueda cónicos M12x1.5. Leer más...
N.º de ref. 20016858
Cota A 1800mm
Cota C 2250mm
Ataque 112x5
Bombeo (ET) 27-33mm
Posición del brazo oscilante 25°
Perfil de eje 80mm
Manual original de instrucciones
Número de identificación de la pieza de repuesto (ETI) VIEJO 811157
Número de identificación de la pieza de repuesto (ETI) NUEVO 811941
TÉCNICA
Modelo: BASIC
Tipo de eje: B 850-10
Carga por eje sencillo: 1000kg
Carga por eje tándem: 2000kg
Freno de rueda: 2051
Suspensión: Suspensión hexagonal de caucho
Longitud de brazo oscilante: 158mm
Rodamientos: Rodamiento compacto
Agujero central de la llanta: mín. 57mm
COMPOSICIÓN DE ENTREGA
Eje
Pernos de rueda cónicos M12x1.5 sueltos
Soporte de un eje soldado con perfil en U (soporte de un eje y tándem)
Perfil compensador con un eje incluido en el composición de entrega
Cables bowden sueltos
TRATAMIENTO DE LA SUPERFICIE
Cuerpo de eje galvanizado en caliente
Freno de rueda con cincado galvanizado
ACCESORIOS (no se incluye en el composición de entrega)
Amortiguador de eje