Inicio / Marcas / MEFRO / ACCURIDE / Eje con freno 900kg EURO COMPACT tipo de eje B 850-5, Pongratz LPA150G
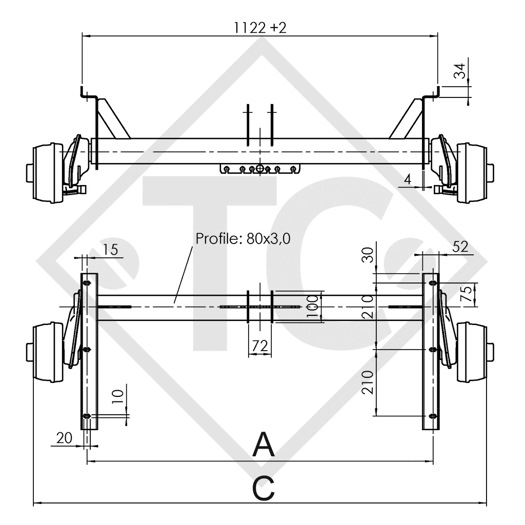
cota A 1092mm, cota C 1550mm, ataque 100x4, tipo de freno de rueda 1637, bombeo (ET) 27-33mm, posición del brazo oscilante 25°, perfil de eje 80mm, pernos de rueda cónicos M12x1.5. Leer más...
N.º de ref. 1222874 (1347294)
Cota A 1092mm
Cota C 1430mm
Ataque 100x4
Bombeo (ET) 27-33mm
Posición del brazo oscilante 25°
Perfil de eje 80mm
Manual original de instrucciones
Número de identificación de la pieza de repuesto (ETI) VIEJO 811156
Número de identificación de la pieza de repuesto (ETI) NUEVO 811973
TÉCNICA
Modelo: EURO COMPACT
Tipo de eje: B 850-5
Carga por eje sencillo: 900kg
Carga por eje tándem: 1600kg
Freno de rueda: 1637
Suspensión: Suspensión hexagonal de caucho
Longitud de brazo oscilante: 158mm
Rodamientos: Rodamiento compacto
Agujero central de la llanta: mín. 57mm
COMPOSICIÓN DE ENTREGA
Eje
Pernos de rueda cónicos M12x1.5 sueltos
Perfil compensador con un eje incluido en el composición de entrega
Cables bowden sueltos
TRATAMIENTO DE LA SUPERFICIE
Cuerpo de eje galvanizado en caliente
Freno de rueda con cincado galvanizado