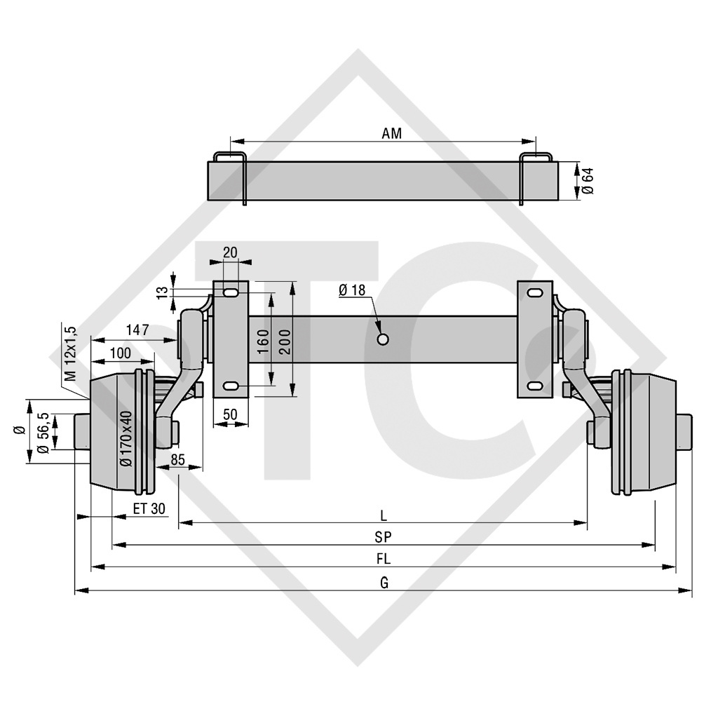
cota AM 1850mm, cota FL 2280mm, ataque 100x4, tipo de freno de rueda S 1704-7 RASK, bombeo (ET) 30mm, posición del brazo oscilante 20°, perfil de eje 64mm, pernos de rueda cónicos M12x1.5. Leer más...

Lista de deseos: Añadir a comparar:

N.º de ref. VIEJO 46.16.382.027
N.º de ref. NUEVO XXXXXXX

Cota FL
2280mm
Cota SP
2220mm
Cota AM
1850mm
Cota L
2012mm
Cota G 2330mm
Modelo SWING
Tipo de eje CB854
Carga por eje sencillo 850kg
Carga por eje tándem 1700kg
Freno de rueda S 1704-7 RASK
Suspensión Suspensión cauchutada cuadrada
Longitud de brazo oscilante 145mm
Ataque 100x4
Rodamientos Rodamiento compacto
Agujero central de la llanta mín. 56.5mm

 

Manual original de instrucciones
Número de identificación de la pieza de repuesto (ETI) VIEJO XX.XX.382.XXX
Número de identificación de la pieza de repuesto (ETI) NUEVO 827032

COMPOSICIÓN DE ENTREGA
Eje incl. cables bowden sueltos
Con soporte amortiguador
Pernos de rueda cónicos M12x1.5 sueltos

DATOS

  • Velocidad máxima 140 km/h
  • Soportes de lanza: Abrazaderas véanse los accesorios
  • Amortiguador véanse los accesorios
  • Ataques: 4x98; 4x130 previa solicitud
  • Dimensiones especiales previa solicitud
  • Con rodamiento estanco previa solicitud
  • Cuerpo de eje galvanizado en caliente
  • Suspensión independiente: De esta forma las irregularidades de la carretera solo afectan al lado en el que se originan
  • Suspensión de caucho comprobada y sin necesidad mantenimiento: Costes de mantenimiento más bajos
  • Robustos diseños
  • Reajuste del freno de rueda fácil de realizar durante el servicio
  • Rodamientos compactos: No requiere mantenimiento, larga vida de producto, protegido contra la suciedad y el agua, lubricado de por vida con grasa especial
  • Incl. soporte de amortiguador

Aquí puede encontrar la página del catálogo en un cómodo formato PDF para descargar.
También puede introducir el número de pedido del catálogo como término de búsqueda en nuestra tienda.