Inicio / MATERIAL ELÉCTRICO / ASPÖCK / Luces de gálibo / Squarepoint / Eje con freno 1350kg EURO COMPACT tipo de eje B 1200-6 - HUMBAUR
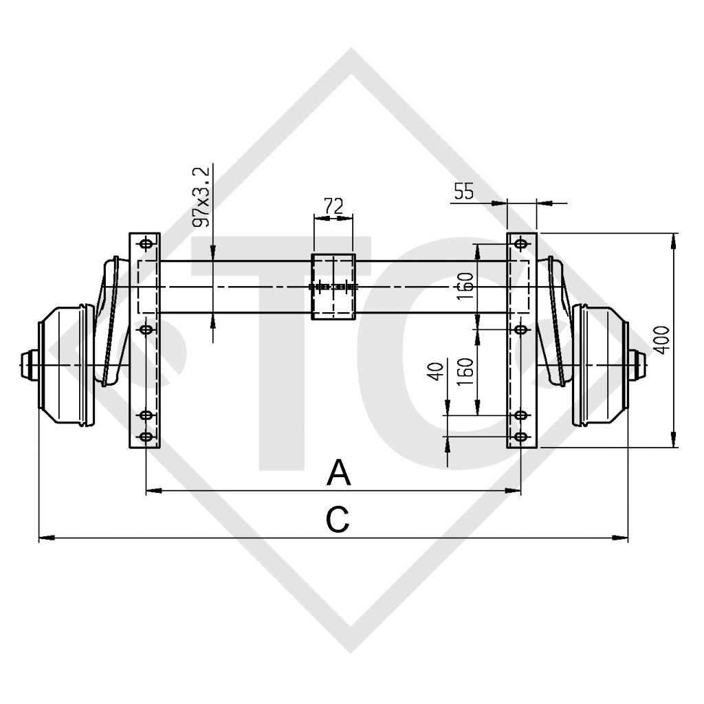
cota A 700mm, cota C 1100mm, ataque 112x5, tipo de freno de rueda 2051 versión Ad, bombeo (ET) 30-33mm, posición del brazo oscilante 25°, perfil de eje 97mm, pernos de rueda esférico M12x1.5. Leer más...
N.º de ref. 1211945 (1322704)
Cota A 700mm
Cota C 1100mm
Ataque 112x5
Bombeo (ET) 30-33mm
Posición del brazo oscilante 25°
Perfil de eje 97mm
Manual original de instrucciones
Número de identificación de la pieza de repuesto (ETI) VIEJO 811158
Número de identificación de la pieza de repuesto (ETI) NUEVO 811938
TÉCNICA
Modelo: EURO COMPACT
Tipo de eje: B 1200-6
Carga por eje sencillo: 1350kg
Carga por eje tándem: 2700kg
Freno de rueda: 2051 versión Ad
Suspensión: Suspensión hexagonal de caucho
Longitud de brazo oscilante: 161.5mm
Rodamientos: Rodamiento compacto
Agujero central de la llanta: mín. 57mm
COMPOSICIÓN DE ENTREGA
Eje
Pernos de rueda esférico M12x1.5 sueltos
Soporte de un eje soldado
Perfil compensador con un eje incluido en el composición de entrega
Cables bowden sueltos
TRATAMIENTO DE LA SUPERFICIE
Cuerpo de eje galvanizado en caliente
Freno de rueda con cincado galvanizado
ACCESORIOS (no se incluye en el composición de entrega)
Amortiguador de eje