Inicio / Eje con freno 1050kg /1400kg tipo de eje CB 1055, 46.21.379.316 - REPRODUCCIÓN, YA NO DISPONIBLE COMO ORIGINAL!
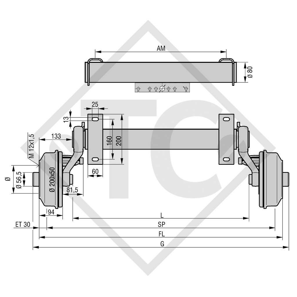
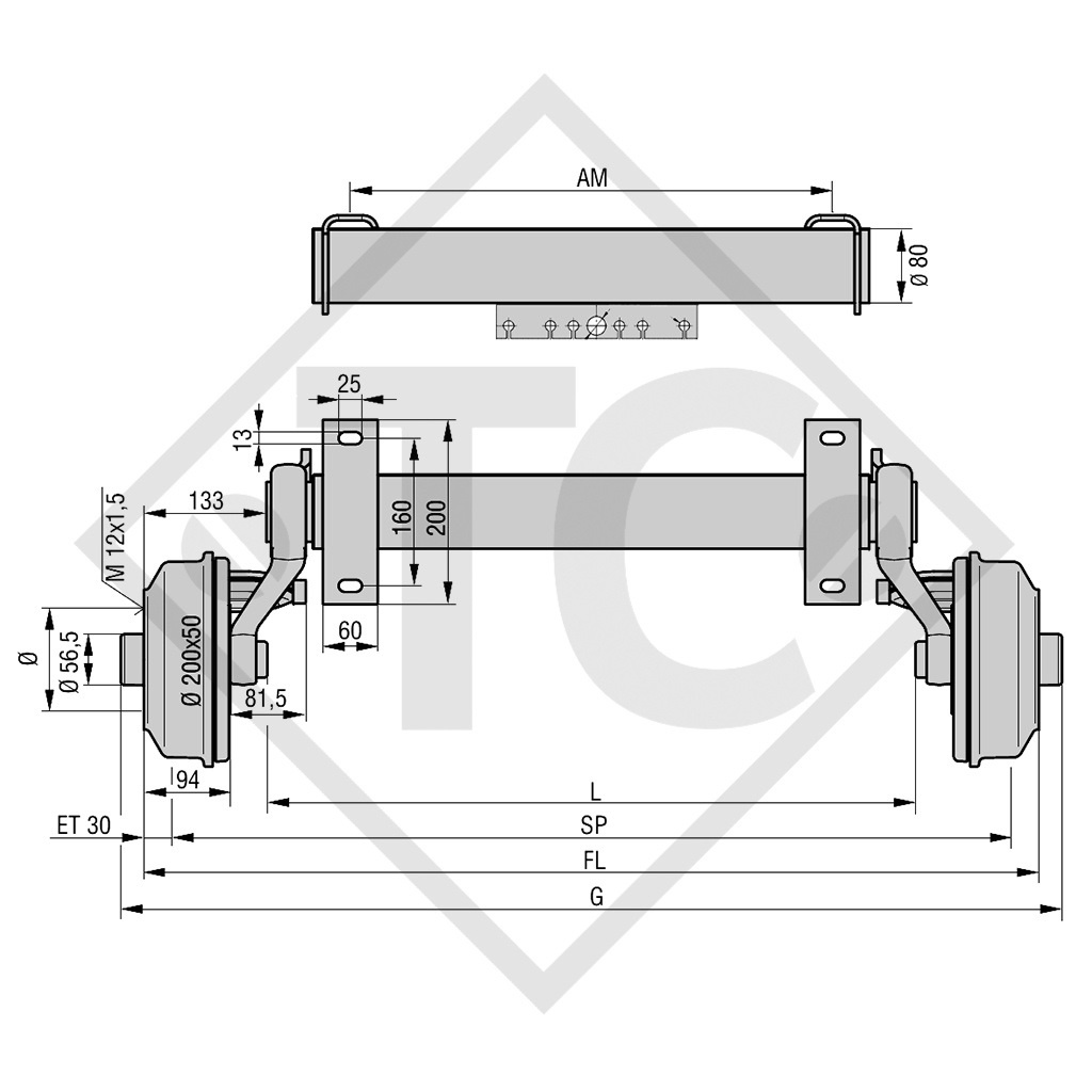
cota AM 1550mm, cota FL 2000mm, ataque 112x5, tipo de freno de rueda S 2005-7 RASK, bombeo (ET) 30mm, posición del brazo oscilante 20°, perfil de eje 80mm. Leer más...
N.º de ref. 46.21.379.316 - REPRODUCCIÓN, YA NO DISPONIBLE COMO ORIGINAL!
| Cota FL |
2000mm |
| Cota SP |
1940mm |
| Cota AM |
1550mm |
| Cota L |
1732mm |
| Cota G | 2050mm |
| Modelo | SWING |
| Tipo de eje | CB1355 |
| Carga por eje sencillo | 1350kg |
| Carga por eje tándem | 2700kg |
| Freno de rueda | S 2005-7 RASK |
| Suspensión | Suspensión cauchutada cuadrada |
| Longitud de brazo oscilante | 160mm |
| Ataque | 112x5 |
| Rodamientos | Rodamiento compacto |
| Agujero central de la llanta | mín. 56.5mm |
Manual original de instrucciones
Número de identificación de la pieza de repuesto (ETI) VIEJO XX.XX.379.XXX
Número de identificación de la pieza de repuesto (ETI) NUEVO 827030
COMPOSICIÓN DE ENTREGA
Eje sin cables bowden
Con soporte amortiguador
Sin pernos de rueda M12x1.5
DATOS