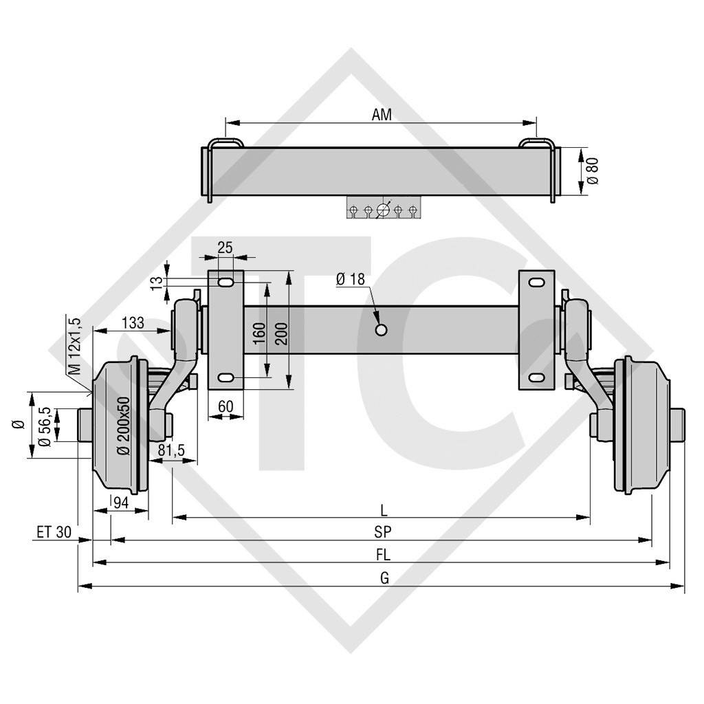
cota AM 1300mm, cota FL 1750mm, ataque 100x4, tipo de freno de rueda S 2005-7 RASK, bombeo (ET) 30mm, posición del brazo oscilante 20°, perfil de eje 80mm, pernos de rueda cónicos M12x1.5. Leer más...

Lista de deseos: Añadir a comparar:

N.º de ref. VIEJO 46.21.379.163
N.º de ref. NUEVO 

Cota FL
1750mm
Cota SP
1690mm
Cota AM
1300mm
Cota L
1482mm
Cota G 1800mm
Modelo SWING
Tipo de eje CB1054
Carga por eje sencillo 1050kg
Carga por eje tándem 2100kg
Freno de rueda S 2005-7 RASK
Suspensión Suspensión cauchutada cuadrada
Longitud de brazo oscilante 160mm
Ataque 100x4
Rodamientos Rodamiento compacto
Agujero central de la llanta mín. 56.5mm

 

Manual original de instrucciones
Número de identificación de la pieza de repuesto (ETI) VIEJO XX.XX.379.XXX
Número de identificación de la pieza de repuesto (ETI) NUEVO 827030

COMPOSICIÓN DE ENTREGA
Eje incl. cables bowden sueltos
Con soporte amortiguador
Pernos de rueda cónicos M12x1.5 sueltos

DATOS

  • Velocidad máxima 140 km/h
  • Soportes de lanza: Abrazaderas véanse los accesorios
  • Amortiguador véanse los accesorios
  • Ataques: 98x4, 130x4, 120x5, 140x5 previa solicitud
  • Dimensiones especiales previa solicitud
  • Con rodamiento estanco previa solicitud
  • Cuerpo de eje galvanizado en caliente
  • Suspensión independiente: De esta forma las irregularidades de la carretera solo afectan al lado en el que se originan
  • Suspensión de caucho comprobada y sin necesidad mantenimiento: Costes de mantenimiento más bajos
  • Robustos diseños
  • Reajuste del freno de rueda fácil de realizar durante el servicio
  • Rodamientos compactos: No requiere mantenimiento, larga vida de producto, protegido contra la suciedad y el agua, lubricado de por vida con grasa especial
  • Incl. soporte de amortiguador