Inicio / PATAS Y APOYOS / APOYOS CON HUSILLO / Eje con freno 1000kg EURO COMPACT tipo de eje B 1000-3 - FITZEL 20-19
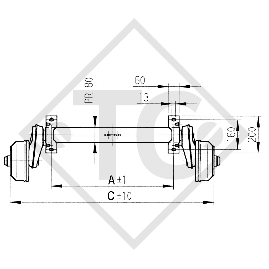
cota A 1070mm, cota C 1750mm, ataque 100x4, tipo de freno de rueda 2051 A, bombeo (ET) 27-33mm, posición del brazo oscilante 25°, perfil de eje 97mm. Leer más...
TÉCNICA
Modelo: EURO COMPACT
Tipo de eje: B 1000-3
Carga por eje sencillo: 1000kg
Carga por eje tándem: 2000kg
Freno de rueda: 2051 A
Suspensión: Suspensión hexagonal de caucho
Palanca: 161,5mm
Ataque: 100x4 (112x5 o 98x4)
Rodamiento: Rodamiento compacto
Agujero central de la llanta: mín. 57mm
COMPOSICIÓN DE ENTREGA
Eje
Pedido por separado para el eje tándem
Soporte adaptador para ejes tándem roscado 249236
Compensador tándem 238576
TRATAMIENTO DE LA SUPERFICIE
Cuerpo de eje galvanizado en caliente
Freno de rueda con cincado galvanizado
ACCESORIOS (no se incluye en el composición de entrega)
Amortiguador de eje
Envíenos una foto con la placa de identificación de su eje, su dirección y un número de teléfono a[email protected]¡Puede usar nuestro servicio y solicitar un presupuesto no vinculante por correo electrónico hoy! |