Inicio / CHASIS DE REMOLQUE, PIEZAS / CHASIS DE REMOLQUE, PIEZAS AL-KO / EJES / EJES CON FRENO & ACCESORIOS / EJES CON FRENO / EJES CON SUSPENSION DE CAUCHO PARA REMOLQUES CON FRENO NEUMÁTICO / EJES CON SUSPENSION DE CAUCHO PARA REMOLQUES CON FRENO NEUMÁTICO, EJE TÁNDEM HASTA 5000KG, TIPO DE EJE BL 2700 / Eje con freno 1000kg EURO COMPACT tipo de eje B 1000-3
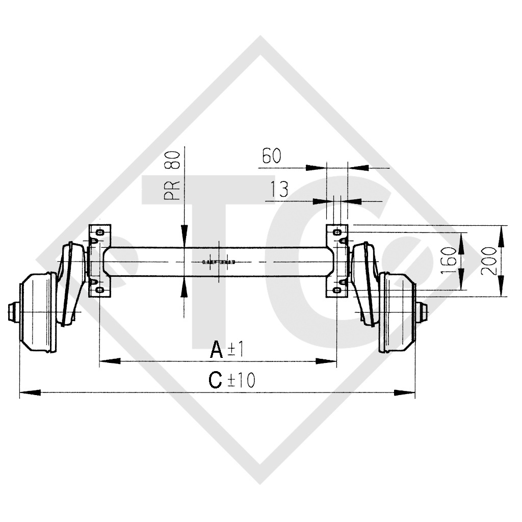
cota A 1150mm, cota C 1610mm, ataque 100x4, tipo de freno de rueda 2051, bombeo (ET) 27-33mm, posición del brazo oscilante 25°, perfil de eje 97mm, pernos de rueda cónicos M12x1.5. Leer más...
N.º de ref. 23042805
Cota A 1150mm
Cota C 1610mm
Ataque 100x4
Bombeo (ET) 27-33mm
Posición del brazo oscilante 25°
Perfil de eje 97mm
Manual original de instrucciones
Número de identificación de la pieza de repuesto (ETI) VIEJO 811157
Número de identificación de la pieza de repuesto (ETI) NUEVO 811941
TÉCNICA
Modelo: EURO COMPACT
Tipo de eje: B 1000-3
Carga por eje sencillo: 1000kg
Carga por eje tándem: 2000kg
Freno de rueda: 2051 A
Suspensión: Suspensión hexagonal de caucho
Longitud de brazo oscilante: 161,5mm
Rodamientos: Rodamiento compacto
Agujero central de la llanta: mín. 57mm
COMPOSICIÓN DE ENTREGA
Eje
Pernos de rueda cónicos M12x1.5 sueltos
Soporte de un eje soldado
Perfil compensador con un eje incluido en el composición de entrega
Cables bowden sueltos
TRATAMIENTO DE LA SUPERFICIE
Cuerpo de eje galvanizado en caliente
Freno de rueda con cincado galvanizado
ACCESORIOS (no se incluye en el composición de entrega)
Amortiguador de eje