Inicio / CHASIS DE REMOLQUE, PIEZAS / CHASIS DE REMOLQUE, PIEZAS AL-KO / ENGANCHES DE INERCIA / ENGANCHES DE INERCIA EN V / LANZAS EN V, SOPORTE UNIÓN EJE-LANZA, TRAVESAÑO DE RUEDA JOCKEY, VARILLA DE FRENO / TRAVERSAÑO DE RUEDA JOCKEY / Eje con freno 1000kg COMPACT tipo de eje B 850-10
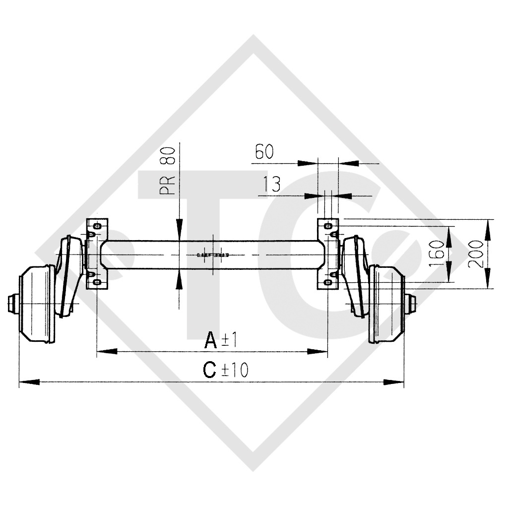
cota A 1150mm, cota C 1600mm, ataque 98x4, tipo de freno de rueda 1637, bombeo (ET) 27-33mm, posición del brazo oscilante 25°, perfil de eje 80mm, pernos de rueda cónicos M12x1.5. Leer más...
N.º de ref. 1602595
Cota A 1150mm
Cota C 1600mm
Ataque 98x4
Bombeo (ET) 27-33mm
Posición del brazo oscilante 25°
Perfil de eje 80mm
Manual original de instrucciones
Número de identificación de la pieza de repuesto (ETI) VIEJO 811156
Número de identificación de la pieza de repuesto (ETI) NUEVO 811973
TÉCNICA
Modelo: COMPACT
Tipo de eje: B 850-10
Carga por eje sencillo: 1000kg
Carga por eje tándem: 2000kg
Freno de rueda: 1637
Suspensión: Suspensión hexagonal de caucho
Longitud de brazo oscilante: 158mm
Rodamientos: Rodamiento compacto
Agujero central de la llanta: mín. 57mm
COMPOSICIÓN DE ENTREGA
Eje
Pernos de rueda cónicos M12x1.5 sueltos
Soporte de un eje soldado
Perfil compensador con un eje incluido en el composición de entrega
Cables bowden sueltos
TRATAMIENTO DE LA SUPERFICIE
Cuerpo de eje galvanizado en caliente
Freno de rueda con cincado galvanizado
ACCESORIOS (no se incluye en el composición de entrega)
Amortiguador de eje