Inicio / CHASIS DE REMOLQUE, PIEZAS / CHASIS DE REMOLQUE, PIEZAS BPW / EJES / EJE CON FRENO 1350KG SWING, TIPO DE EJE CB 1355 / Eje con freno 1000kg EURO COMPACT tipo de eje B 850-10, estanco
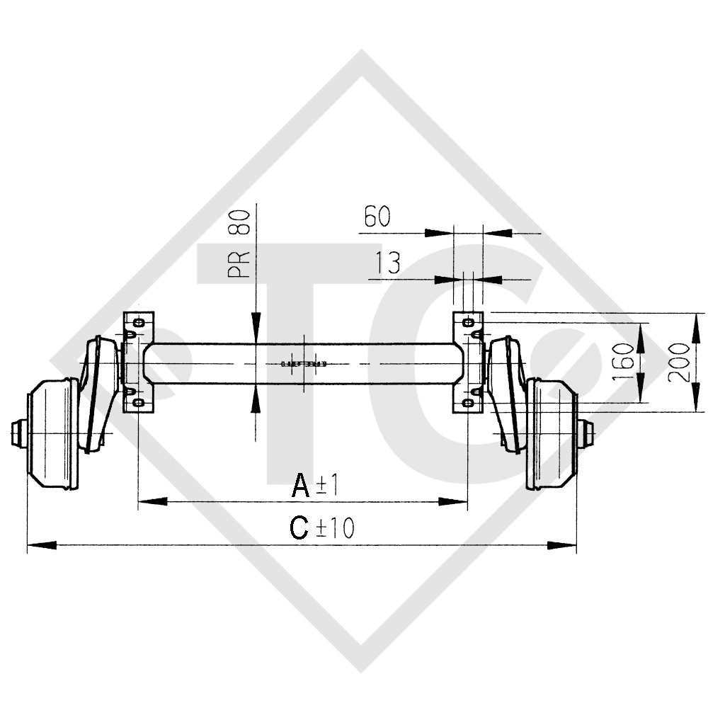
cota A 1390mm, cota C 1855mm, ataque 100x4, tipo de freno de rueda 2051 versión A, bombeo (ET) 27-33mm, posición del brazo oscilante 25°, perfil de eje 80mm. Leer más...
N.º de ref. 1422214 (1525215)
Cota A 1390mm
Cota C 1855mm
Ataque 100x4
Bombeo (ET) 27-33mm
Posición del brazo oscilante 25°
Perfil de eje 80mm
Manual original de instrucciones
Número de identificación de la pieza de repuesto (ETI) 811527
TÉCNICA
Modelo: EURO COMPACT
Tipo de eje: B 850-10
Carga por eje sencillo: 1000kg
Carga por eje tándem: 2000kg
Freno de rueda: 2051 versión A
Suspensión: Suspensión hexagonal de caucho
Longitud de brazo oscilante: 158mm
Rodamientos: Rodamiento compacto
Agujero central de la llanta: mín. 57mm
COMPOSICIÓN DE ENTREGA
Eje
TRATAMIENTO DE LA SUPERFICIE
Cuerpo de eje galvanizado en caliente
Freno de rueda con cincado galvanizado
ACCESORIOS (no se incluye en el composición de entrega)
Amortiguador de eje