Inicio / Etiquetas / alko axle b 1800-9 / Eje con freno 1000kg BASIC tipo de eje B 850-10
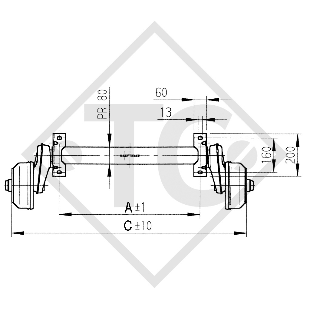
cota A 1700mm, cota C 2150mm, ataque 112x5, tipo de freno de rueda 2051, bombeo (ET) 27-33mm, posición del brazo oscilante 25°, perfil de eje 80mm, pernos de rueda cónicos M12x1.5. Leer más...
N.º de ref. 20016652
Cota A 1700mm
Cota C 2150mm
Ataque 112x5
Bombeo (ET) 27-33mm
Posición del brazo oscilante 25°
Perfil de eje 80mm
Manual original de instrucciones
Número de identificación de la pieza de repuesto (ETI) VIEJO 811157
Número de identificación de la pieza de repuesto (ETI) NUEVO 811941
TÉCNICA
Modelo: BASIC
Tipo de eje: B 850-10
Carga por eje sencillo: 1000kg
Carga por eje tándem: 2000kg
Freno de rueda: 2051
Suspensión: Suspensión hexagonal de caucho
Longitud de brazo oscilante: 158mm
Rodamientos: Rodamiento compacto
Agujero central de la llanta: mín. 57mm
COMPOSICIÓN DE ENTREGA
Eje
Pernos de rueda cónicos M12x1.5 sueltos
Soporte de un eje soldado
Perfil compensador con un eje incluido en el composición de entrega
Cables bowden sueltos
TRATAMIENTO DE LA SUPERFICIE
Cuerpo de eje galvanizado en caliente
Freno de rueda con cincado galvanizado
ACCESORIOS (no se incluye en el composición de entrega)
Amortiguador de eje